Operation CHARM: Car repair manuals for everyone.
Manuals through 2025 now available!

Our trusted friends have launched a new website named LEMON, which has newer manuals. It also contains all the CHARM manuals.

LEMON is the spiritual successor to CHARM, I recommend you try it!

Link: lemon-manuals.la or lemon-manuals.org.ua

(Some people have issue connecting. LEMON is investigating. For now, use Firefox or change your DNS server)

Or, hide this message: temporarily or permanently

Catalytic Converter: Service and Repair

Catalytic Converter Replacement

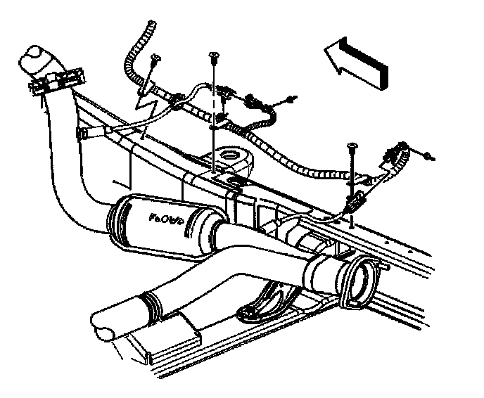
Removal Procedure





1. Raise and suitably support the vehicle. Refer to Vehicle Lifting.
2. Unclip the oxygen sensor connection from the floor reinforcement.
3. Remove the oxygen sensor clips from the frame.
4. Disconnect the Connector Position Assurance (CPA) retainers.
5. Disconnect the oxygen sensor electrical connectors.





6. Unclip the oxygen sensors electrical connectors from the following
^ Hose clip
^ Transmission crossmember
7. Disconnect the CPA retainers.
8. Disconnect the oxygen sensor electrical connectors (1, 2).





9. Remove the left exhaust manifold pipe nuts.





10. Remove the right exhaust manifold pipe nuts.





11. Remove the exhaust muffler nuts.





12. Remove the catalytic converter.





13. If necessary, remove the oxygen sensors.

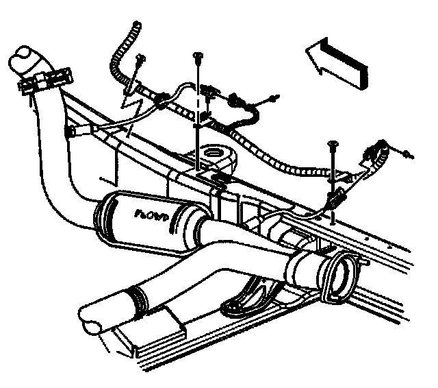
Installation Procedure





1. If necessary, install the oxygen sensors.
1.1. Apply anti-seize compound GM P/N 12377953 or equivalent to the threads of the old oxygen sensors.

Notice: Refer to Fastener Notice in Service Precautions.

1.2. Install the oxygen sensors.
^ Tighten the sensors to 42 Nm (31 ft. lbs.).





2. Install the catalytic convertor.





3. Install NEW exhaust manifold pipe seals to the exhaust manifolds.
4. Install the right exhaust manifold pipe nuts until snug.





5. Install the left exhaust manifold pipe nuts until snug.
6. Tighten the exhaust manifold pipe nuts.
^ Tighten the nuts to 50 Nm (37 ft. lbs.).





7. Install the exhaust muffler nuts.
^ Tighten the nuts to 45 Nm (33 ft. lbs.).





8. Connect the oxygen sensor electrical connectors (1, 2).
9. Connect the CPA retainers.
10. Clip the oxygen sensors electrical connectors to the following:
^ Hose clip
^ Transmission crossmember





11. Connect the oxygen sensor electrical connectors.
12. Connect the CPA retainers.
13. Install the clip around the engine harness and the oxygen sensor pigtail.
14. Clip the oxygen sensor connection to the floor reinforcement.
15. Lower the vehicle.