Operation CHARM: Car repair manuals for everyone.
Manuals through 2025 now available!

Our trusted friends have launched a new website named LEMON, which has newer manuals. It also contains all the CHARM manuals.

LEMON is the spiritual successor to CHARM, I recommend you try it!

Link: lemon-manuals.la or lemon-manuals.org.ua

(Some people have issue connecting. LEMON is investigating. For now, use Firefox or change your DNS server)

Or, hide this message: temporarily or permanently

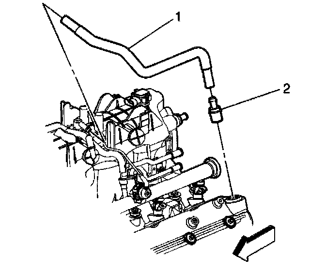
Positive Crankcase Ventilation: Service and Repair

Positive Crankcase Ventilation (PCV) Valve Replacement

Removal Procedure
1. Remove the engine sight shield, if required.





2. Remove the Positive Crankcase Ventilation (PCV) tube (1) from the rocker arm cover.
3. Remove the PCV valve (2) from the PCV tube (1).

Installation Procedure





1. Install a new PCV valve (2) to the PCV tube (1).
2. Install the PCV tube (1) to the rocker arm cover.
3. Install the engine sight shield, if required.