Operation CHARM: Car repair manuals for everyone.
Manuals through 2025 now available!

Our trusted friends have launched a new website named LEMON, which has newer manuals. It also contains all the CHARM manuals.

LEMON is the spiritual successor to CHARM, I recommend you try it!

Link: lemon-manuals.la or lemon-manuals.org.ua

(Some people have issue connecting. LEMON is investigating. For now, use Firefox or change your DNS server)

Or, hide this message: temporarily or permanently

Shift Interlock Solenoid: Service and Repair

Shift Lock Solenoid/Switch Assembly Replacement

Removal Procedure





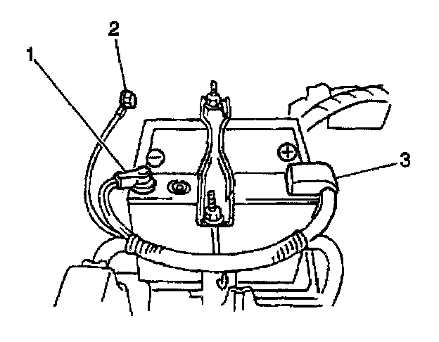
Caution: Refer to Battery Disconnect Caution in Service Precautions.

1. Disconnect the negative battery cable (1).





2. Remove the following items from the floor:
^ The 4 screws (1,6,3,4)
^ The 2 plastic retaining clips (2,5)
^ The console box





3. Remove the shift lock solenoid electrical connector (3) from under the carpet and disconnect.
4. Remove the shift indicator lamp electrical connector.
5. Remove the shift indicator lamp (1).
6. Remove the shift lock solenoid cover (2).





7. Remove the shift lock solenoid (2) from the manual selector.

Installation Procedure





1. Install the shift lock solenoid (2) to the manual selector.





2. Install the shift lock solenoid cover (2).
3. Connect the shift indicator lamp electrical connector and the shift lock solenoid connector (3) under the carpet.
4. Install the shift indicator lamp (1).
5. Install the console box to the floor.





6. Secure the console box with the 2 plastic retaining clips (2,5) and the 4 screws (1,6,3,4).
7. Connect the negative battery cable.