Operation CHARM: Car repair manuals for everyone.
Manuals through 2025 now available!

Our trusted friends have launched a new website named LEMON, which has newer manuals. It also contains all the CHARM manuals.

LEMON is the spiritual successor to CHARM, I recommend you try it!

Link: lemon-manuals.la or lemon-manuals.org.ua

(Some people have issue connecting. LEMON is investigating. For now, use Firefox or change your DNS server)

Or, hide this message: temporarily or permanently

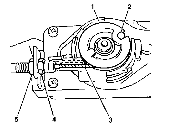
Cruise Control Servo Cable: Service and Repair

CRUISE CONTROL CABLE REPLACEMENT

REMOVAL PROCEDURE




1. Remove the cruise control module cover (1).




2. Loosen the cruise control servo cable locknut (5).
3. Remove the cruise control servo cable (3) from the cruise control servo assembly (1).




4. Remove the cruise control servo cable (3) from the cruise control servo cable retainers (5).




5. Remove the cruise control servo cable from the accelerator pedal (1).
6. Unclip the retainer (2) and grommet (4) which secure the cruise control servo cable from underneath the instrument panel.
7. Remove the cruise control servo cable from the vehicle.

INSTALLATION PROCEDURE




1. Install the cruise control servo cable to the vehicle. Secure the cable with the retainer (2) and the grommet (4).
2. Install the cruise control servo cable to the accelerator pedal (1).




3. Install the cruise control servo cable (3) to the cruise control servo cable retainers (5).




4. Install the cruise control servo cable (3) to the cruise control servo assembly (1).
5. Adjust the cruise control servo cable locknut (5) in order to adjust the cruise control cable play.
6. Adjust the cruise control servo cable play to 1-2 mm (0.04-0.08 in) at the servo closed throttle position.

NOTE: Refer to Fastener Notice in Service Precautions.

Tighten
Tighten the cruise control servo cable locknut to 5 N.m (44 lb in).




7. Install the cruise control module cover (1).