Steps 1-36
Transfer Case Disassemble^ Tools Required
- J 37637-A Case Separator
- J 8433 Bearing Puller
- J 37756 Output Shaft Bearing Puller Adapter
- J 26941 Needle Bearing Puller
- J 23907 Slide Hammer
- J 34757 Output Shaft Ring Remover
- J 39497 Friction Ring Remover and Installer
- J 22912-01 Split Plate
- J 34844 Front Shaft Bearing Remover
- J 28406 Input Gear Bearing Remover
- J 26900-5 Vernier Caliper
1. Remove the following components from the rear case:
^ The four-wheel drive switch
^ The steel ball
^ The O-ring
2. Remove the following components from the rear of the case (if equipped):
^ The four-wheel drive low switch and the steel ball
^ The O-ring
3. Remove the following components from the rear case:
^ One bolt
^ The speedometer driven gear case
^ The O-ring
4. Remove the following components from the rear case:
^ The 5 bolts
^ The gearshift bracket
^ The gearshift lever case (1)
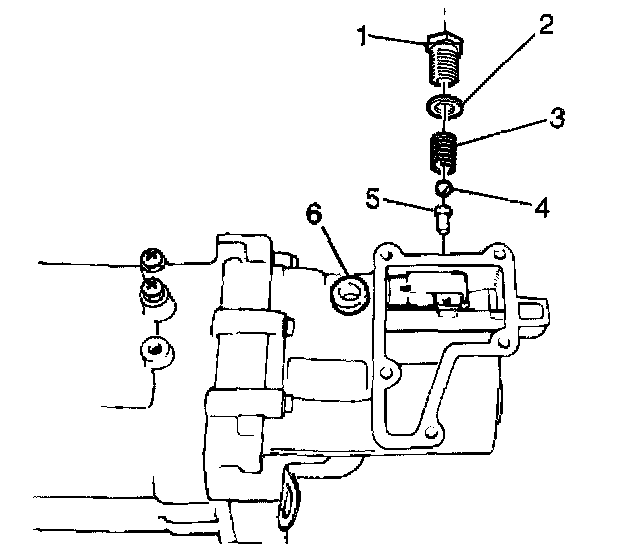
5. Remove the following components from the rear case (6):
^ The select return spring bolt (1)
^ The washer (2)
^ The select return spring (3)
^ The select return ball (4)
^ The select return pin (5)
Important: After you remove the rear case, use a magnet in order to extract the pin from the case.
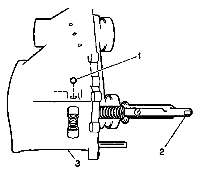
6. Using a standard drift punch and a hammer (1), drive the roll pin from the reduction shift yoke. This procedure will cause the pin to fall into the transfer case assembly.
7. Slide the reduction shift yoke rearward. Pull the reduction shift yoke off the reduction shift shaft and out of the rear case.
8. Remove the 15 rear case bolts.
9. Separate the rear case from the center case using a J 37637-A. Using a magnet, remove the shift yoke roll pin from inside the rear transfer case.
10. Remove the selective shim from the top of the rear output shaft rear bearing.
11. Use J 34757 in order to remove the following components from the rear output shaft:
^ The speedometer drive gear C-clip
^ The speedometer drive gear
12. Carefully remove the drive gear ball from the rear output shaft.
13. Use J 34757 in order to remove the rear output shaft rear bearing C-clip from the rear output shaft.
14. Use J 8433 with J 37756 in order to remove the rear output shaft rear bearing from the rear output shaft.
Important: Do not lose the rear output shaft washer ball underneath the drive sprocket bushing during the sprocket bushing removal.
15. Remove the following components:
^ The drive sprocket bushing (1) output shaft
^ The drive sprocket needle bearing (2) output shaft
16. Remove the following components from the rear output shaft:
^ 2 screws (2)
^ The synchronizing plate (1)
17. Remove the following drive components from the rear output shaft and the front output shaft:
^ The drive sprocket (2)
^ The drive chain (1)
^ The rear output shaft washer ball
18. Use J 26941 with J 23907 in order to remove the rear output shaft oil seal from the rear case.
19. Remove the following components from the rear case:
^ One bolt (1)
^ The oil guide
20. Use J 26941 and a hammer in order to remove the rear output shaft needle bearing from the rear case.
21. Remove the following components from the front case:
^ One bolt (2)
^ One washer
^ The countershaft case plate (1)
22. Remove the 9 front case bolts (1) from the front case.
23. Separate the front case from the center case (1).
24. Remove the countershaft assembly (3) from the center case.
Important: Do not lose the countershaft washer balls which come out from between the countershaft (9) and the countershaft washers (1,7).
25. Remove the following components from the countershaft (9):
^ The countershaft washers (1,7)
^ The washer balls (3)
26. Remove the following components from the countershaft:
^ The counter gear (6)
^ The countershaft needle bearings (4,8)
^ The countershaft spacer (5)
27. Inspect the countershaft friction ring for excessive wear or damage. Replace as necessary.
28. Inspect the countershaft O-ring for cuts or other damage. Replace as necessary.
Important: Do NOT remove either the countershaft friction ring (10) or the O-ring (2) unless absolutely necessary. If you remove either one, replace with new components.
29. Remove the countershaft O-ring from the countershaft.
30. Use J 39497 and a press arbor (2) in order to remove the countershaft friction ring (1) from the countershaft (3).
31. Remove the following components from the center case:
^ The 1 rubber plug (1)
^ The 2 locating screws (4)
^ The 1 washer
^ The 2 locating springs (3)
^ The 2 locating balls (2)
Important: Observe the alignment marks on the following components in order to ensure correct alignment during assembly:
^ The caged needle bearing
^ The reduction clutch sleeve and hub
^ The front drive clutch sleeve and hub If no alignment marks are present, scribe new marks on these components.
32. Remove the following components from the rear output shaft, in front of the center case:
^ The reduction shift shaft (2)
^ The reduction shift fork (1)
^ The reduction clutch sleeve (3)
33. Remove the following components from the rear output shaft, in the rear of the center case:
^ The front drive shift shaft (4)
^ The front drive shift fork (1)
^ The front drive clutch sleeve (2)
^ The front drive clutch hub (3)
34. Remove the interlock ball (1) from the center case passage.
35. Use J 34757 in order to remove the reduction hub C-clip (3) from the rear output shaft.
36. Remove the following components from the rear output shaft.
^ The reduction clutch hub (2)
^ The low output gear
^ The low output gear needle bearing (1)