Operation CHARM: Car repair manuals for everyone.
Manuals through 2025 now available!

Our trusted friends have launched a new website named LEMON, which has newer manuals. It also contains all the CHARM manuals.

LEMON is the spiritual successor to CHARM, I recommend you try it!

Link: lemon-manuals.la or lemon-manuals.org.ua

(Some people have issue connecting. LEMON is investigating. For now, use Firefox or change your DNS server)

Or, hide this message: temporarily or permanently

Condenser HVAC: Service and Repair

CONDENSER REPLACEMENT

TOOLS REQUIRED
J 39400-A Halogen Leak Detector

REMOVAL PROCEDURE

1. Recover the refrigerant.
2. Remove the hood latch support.





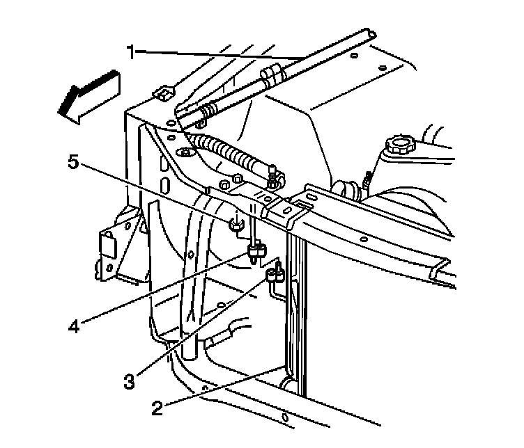
3. Remove the compressor discharge hose nut (1) from the condenser (4).
4. Remove the compressor discharge hose (2) from the condenser (4).





5. Remove the evaporator tube nut (5) from the condenser (3).
6. Remove the evaporator tube (4) from the condenser (3).
7. Remove the retaining screws from the condenser.
8. Remove the condenser from the radiator.

INSTALLATION PROCEDURE






IMPORTANT: If replacing the condenser, add the refrigerant oil to the condenser. Refer to Refrigerant System Capacities for the capacity information.

1. Install the condenser to the radiator.

NOTE: Refer to Fastener Notice in Service Precautions.
Vehicle Damage Warnings

2. Install the retaining screws to the condenser.

Tighten
Tighten the screws to 5 N.m (44 lb in).

3. Connect the evaporator tube (4) to the condenser (3).
4. Install the retaining nut to the evaporator tube (4) at the condenser (3).

Tighten
Tighten the nut to 28 N.m (21 lb ft).





5. Connect the compressor discharge hose (2) to the condenser (4).
6. Install the retaining nut (1) to the compressor discharge hose (2) at the condenser (4).

Tighten
Tighten the nut to 28 N.m (21 lb ft).

7. Install the hood latch support.
8. Evacuate and recharge the A/C system.
9. Leak test the fittings of the components using the J 39400-A.