Operation CHARM: Car repair manuals for everyone.
Manuals through 2025 now available!

Our trusted friends have launched a new website named LEMON, which has newer manuals. It also contains all the CHARM manuals.

LEMON is the spiritual successor to CHARM, I recommend you try it!

Link: lemon-manuals.la or lemon-manuals.org.ua

(Some people have issue connecting. LEMON is investigating. For now, use Firefox or change your DNS server)

Or, hide this message: temporarily or permanently

Power Steering Line/Hose: Service and Repair

Power Steering Hose Assembly Replacement)

Tools Required
^ J44586 Power Steering Gear Oil Seal Remover/Installer

Removal Procedure

Notice: Refer to Power Steering Hose Disconnected Notice in Service Precautions.

1. Install drain pan under vehicle.





2. Disconnect the power steering pressure (1) and return hose (3) from the power steering pump (2).
3. Raise and support vehicle with suitable safety stands.





4. Disconnect the power steering hose assembly from the power steering cooler.
5. Lower the vehicle.
6. Remove the PCM from PCM mounting bracket and position out of the way.
7. Raise the vehicle.





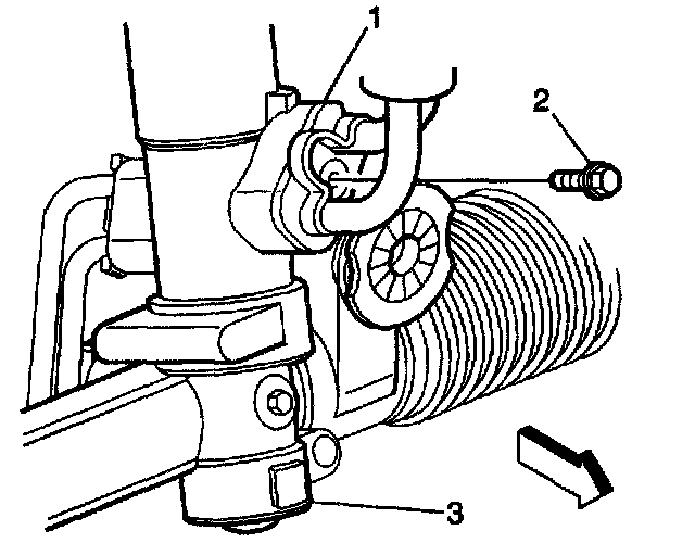
8. Remove power steering hose assembly (1) to power steering gear mounting bolt (2).
9. Disconnect the power steering hose assembly from the power steering gear (3).





10. Remove the power steering hose assembly (1) front bracket mounting bolt (3).
11. Disconnect the power steering pressure hose from retaining clip.
12. Remove the power steering hose assembly rear bracket mounting bolt (2).
13. Remove the power steering hose assembly from the vehicle.

Installation Procedure





1. Install the power steering hose assembly (1) to the vehicle.

Notice: Refer to Fastener Notice in Service Precautions.

2. Install the power steering hose assembly rear bracket mounting bolt (2).
Tighten the bolt to 10 Nm (89 inch lbs.).
3. Connect the power steering pressure hose retaining clip.
4. Install the power steering hose assembly front bracket mounting bolt (3).





5. Connect the power steering pressure (1) and return hoses (3) to the power steering pump (2).
Tighten the fittings to 25 Nm (18 inch lbs.).
6. Install the PCM to PCM mounting bracket.
7. Raise and support vehicle with suitable safety stands.





8. Connect the power steering hose assembly to the power steering cooler.





9. Connect the power steering hose assembly (1) to the power steering gear (3).
10. Install the power steering hose assembly to power steering gear with mounting bolt (2).
Tighten the bolt to 12 Nm (106 inch lbs.).
11. Lower the vehicle.