Operation CHARM: Car repair manuals for everyone.
Manuals through 2025 now available!

Our trusted friends have launched a new website named LEMON, which has newer manuals. It also contains all the CHARM manuals.

LEMON is the spiritual successor to CHARM, I recommend you try it!

Link: lemon-manuals.la or lemon-manuals.org.ua

(Some people have issue connecting. LEMON is investigating. For now, use Firefox or change your DNS server)

Or, hide this message: temporarily or permanently

Positive: Service and Repair

BATTERY POSITIVE CABLE REPLACEMENT

REMOVAL PROCEDURE




1. Disconnect the negative battery cable (5).
2. Disconnect the positive battery cable (4).
3. Loosen the positive terminal bolt (1) that secures the harness to the junction block.




4. Reposition the generator cable boot (1).
5. Remove the generator cable nut (2).
6. Remove the generator cable lead (3).
7. Open the clips on the retaining brackets.




8. Remove the battery cable channel bolt.
9. Remove the battery cable channel.
10. Remove the battery cable from the channel.




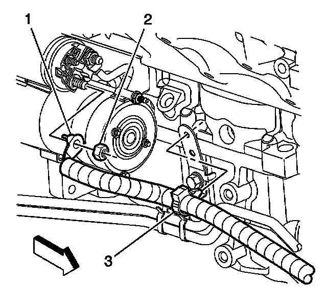
11. Remove the positive cable lead nut (2) from the starter.
12. Remove the positive cable lead (1).
13. Remove the cable clip (3) from the bracket.




14. Remove the starter solenoid lead nut (2).
15. Remove the starter solenoid lead (1) from the starter.
16. Remove the battery cable from the conduit.

INSTALLATION PROCEDURE




1. Install the battery cable to the conduit.
2. Install the starter solenoid lead (1) to the starter.

NOTE: Refer to Fastener Notice in Service Precautions.

3. Install the starter solenoid lead nut (2).

Tighten
Tighten the nut to 3.4 N.m (30 lb in).




4. Install the cable clip (3) to the bracket.
5. Install the positive cable lead (1).
6. Install the positive cable lead nut (2) to the starter.

Tighten
Tighten the nut to 9 N.m (80 lb in).




7. Install the battery cable to the channel.
8. Install the battery cable channel.
9. Install the battery cable channel bolt.

Tighten
Tighten the battery cable channel bolt to 12 N.m (106 lb in).




10. Install the generator cable lead (3).
11. Install the generator cable nut (2).

Tighten
Tighten the nut to 9 N.m (80 lb in).

12. Position the generator cable boot (1).
13. Close the clips on the retaining brackets.




14. Tighten the positive terminal bolt (1) that secures the harness to the junction block.

Tighten
Tighten the bolt to 10 N.m (89 lb in).

15. Connect the positive battery cable (4).

Tighten
Tighten the positive cable to 15 N.m (11 lb ft).

16. Connect the negative battery cable (5).