Operation CHARM: Car repair manuals for everyone.
Manuals through 2025 now available!

Our trusted friends have launched a new website named LEMON, which has newer manuals. It also contains all the CHARM manuals.

LEMON is the spiritual successor to CHARM, I recommend you try it!

Link: lemon-manuals.la or lemon-manuals.org.ua

(Some people have issue connecting. LEMON is investigating. For now, use Firefox or change your DNS server)

Or, hide this message: temporarily or permanently

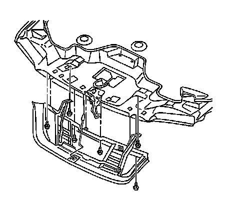
Grille: Service and Repair



Grille Replacement (Chevrolet)

Removal Procedure

1. Open and support the hood.
2. Remove the front hood seal. Refer to Hood Front Seal Replacement (Seal Replacement - Hood Front) in Body Front End.




3. Remove the hood latch linkage from the secondary hood latch.




4. Remove the hood latch linkage from the secondary hood latch.




5. Remove the bolts from the center of the grille.




6. Remove the grille from the hood.



Installation Procedure





1. Position the grille center hook into the hood center slot.
2. Align the grille to the hood.





Notice: Refer to Fastener Notice in Cautions and Notices.

3. Install the bolts to the center of the grille.

Tighten the bolts to 4 N.m (35 lb in).





4. Install the hood latch linkage to the secondary hood latch.




5. Install the hood latch linkage to the secondary hood latch.




6. Install the hood latch linkage to the secondary hood latch.
7. Install the front hood seal. Refer to Hood Front Seal Replacement (Seal Replacement - Hood Front) in Body Front End.
8. Close the hood.