Operation CHARM: Car repair manuals for everyone.
Manuals through 2025 now available!

Our trusted friends have launched a new website named LEMON, which has newer manuals. It also contains all the CHARM manuals.

LEMON is the spiritual successor to CHARM, I recommend you try it!

Link: lemon-manuals.la or lemon-manuals.org.ua

(Some people have issue connecting. LEMON is investigating. For now, use Firefox or change your DNS server)

Or, hide this message: temporarily or permanently

Upper Intake Manifold Replacement

Intake Manifold Replacement - Upper

Removal Procedure

Important: The fuel injector wiring harness connectors must be connected to their respective fuel injectors. Failure to connect the fuel injector connectors to their respective fuel injectors may result in excessive exhaust emissions and poor engine performance.

1. Drain the engine coolant from the cooling system.
2. Remove the throttle body air inlet duct.





3. Remove the accelerator control and cruise control cables with bracket from the throttle body.
4. Disconnect the wiring harness connectors from the following throttle body components:
^ Throttle Position (TP) sensor
^ Idle Air Control (IAC) valve
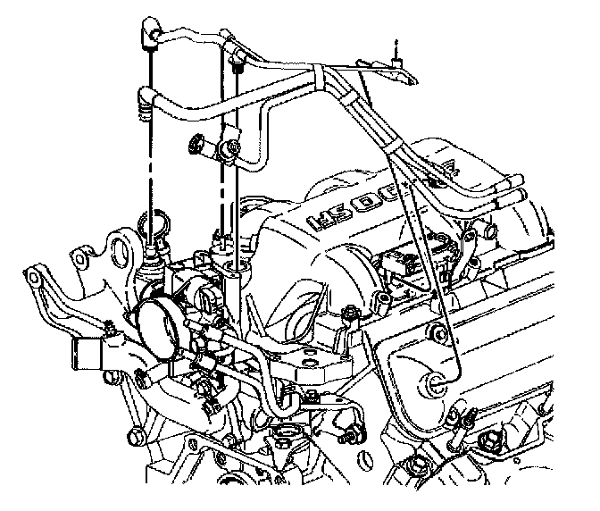
5. Disconnect the engine left side spark plug wires.
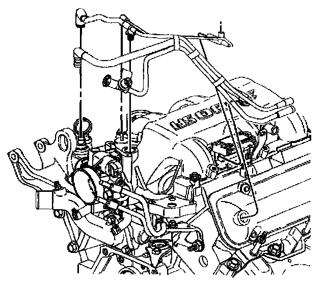
6. Disconnect the engine left side spark plug wire harness attachment clip. Disconnect the throttle body heater hoses.
8. Disconnect the vacuum hoses from the Evaporative Emission (EVAP) canister purge solenoid valve.
9. Remove the EVAP canister purge solenoid valve.





10. Remove the ignition coil bracket.





11. Disconnect the wiring harness from the Manifold Air Pressure (MAP) sensor.





12. Disconnect the vacuum harness from the MAP sensor and the upper intake manifold.





13. Disconnect and remove the emission control vacuum harness.
14. Disconnect the vacuum brake booster hose from the upper intake manifold.
15. Disconnect the vacuum hose connections from the upper intake manifold.
^ Heating, Ventilation and Air Conditioning (HVAC) vacuum source hose
^ Fuel pressure regulator
16. Remove the Exhaust Gas Recirculation (EGR) valve.
17. Remove the MAP sensor and the bracket.





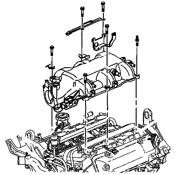
18. Remove the upper intake manifold studs and bolts.





19. Remove the upper intake manifold.





20. If you are REPLACING the intake manifold, remove the throttle body.





21. Remove the upper intake manifold gasket.
22. Clean and inspect the upper intake manifold.

Installation Procedure





1. If removed, install the throttle body.





2. Install the upper intake manifold gasket.





3. Install the upper intake manifold.





4. Install the MAP sensor and the bracket.





5. Install the upper intake manifold studs and bolts.
6. Install the Exhaust Gas Recirculation (EGR) valve.
7. Connect the vacuum hose connections to the upper intake manifold.
^ Heater and air conditioning vacuum source hose
^ Fuel pressure regulator
8. Connect the vacuum brake booster hose to the upper intake manifold.





9. Install and connect the emission control vacuum harness.





10. Connect the vacuum hose to the MAP sensor and the upper intake manifold.





11. Connect the wiring harness to the MAP sensor.





12. Install the ignition coil bracket with the coils.
13. Install the EVAP canister purge solenoid valve.





14. Connect the vacuum hoses to the EVAP canister purge solenoid valve.
15. Connect the throttle body heater hoses.
16. Connect the engine left side spark plug wire harness attachment clip.
17. Connect the engine left side spark plug wires.
18. Connect the wiring harness connectors to the throttle body.
19. Install the accelerator control and cruise control cables with bracket to the throttle body.
20. Install the throttle body air inlet duct.
21. Fill the cooling system with engine coolant.