Operation CHARM: Car repair manuals for everyone.
Manuals through 2025 now available!

Our trusted friends have launched a new website named LEMON, which has newer manuals. It also contains all the CHARM manuals.

LEMON is the spiritual successor to CHARM, I recommend you try it!

Link: lemon-manuals.la or lemon-manuals.org.ua

(Some people have issue connecting. LEMON is investigating. For now, use Firefox or change your DNS server)

Or, hide this message: temporarily or permanently

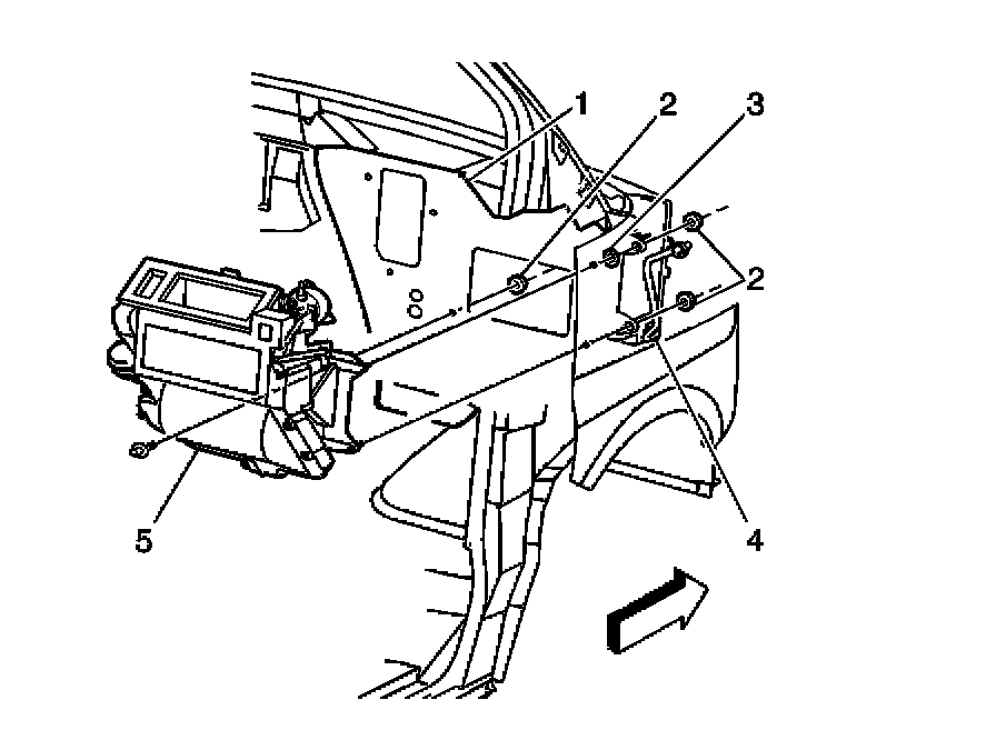
Housing Assembly HVAC: Service and Repair

HEATER CASE REPLACEMENT (WITH RPO CODE C60)

TOOLS REQUIRED
- J 38185 Hose Clamp Pliers
- J 39400-A Halogen Leak Detector

REMOVAL PROCEDURE
1. Drain the engine coolant.
2. Recover the refrigerant.




3. Using the J 38185 reposition the heater hose clamps from the heater core.
4. Remove the heater hoses from the heater core.
5. Remove the evaporator case from the vehicle.




6. Remove the heater case retaining nuts (2) from the engine compartment.
7. Roll out the instrument panel.
8. Disconnect the electrical connectors.
9. Disconnect the vacuum lines.
10. Remove the heater case (5) from the vehicle.

INSTALLATION PROCEDURE




1. Install the heater case (5) to the vehicle.
2. Connect the vacuum lines.
3. Connect the electrical connectors.
4. Roll the instrument panel upward.
5. Install the heater case retaining nuts (2) to the engine compartment.

NOTE: Refer to Fastener Notice in Service Precautions.

Tighten
Tighten the nuts to 6 N.m (53 lb in).

6. Install the evaporator casing to the vehicle.




7. Connect the heater hoses to the heater core.
8. Using the J 38185 reposition the heater hose clamps to the heater core.
9. Evacuate and recharge the A/C system.
10. Leak test the fittings of the component using the J 39400-A.
11. Fill the engine coolant.