Operation CHARM: Car repair manuals for everyone.
Manuals through 2025 now available!

Our trusted friends have launched a new website named LEMON, which has newer manuals. It also contains all the CHARM manuals.

LEMON is the spiritual successor to CHARM, I recommend you try it!

Link: lemon-manuals.la or lemon-manuals.org.ua

(Some people have issue connecting. LEMON is investigating. For now, use Firefox or change your DNS server)

Or, hide this message: temporarily or permanently

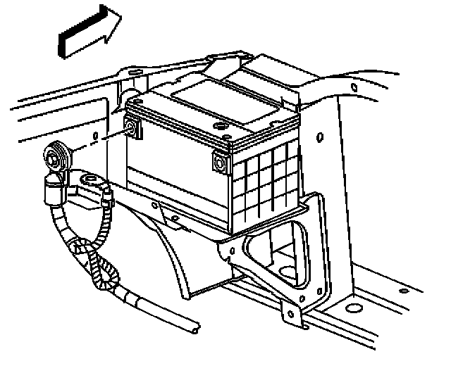
Disconnect/Connect Procedure

BATTERY NEGATIVE CABLE DISCONNECT/CONNECT PROCEDURE

REMOVAL PROCEDURE

CAUTION: Refer to Battery Disconnect Caution in Service Precautions.

1. Turn off all the lamps and accessories.
2. Turn the ignition OFF.




3. Remove the battery ground (negative) cable and bolt from the battery 4.3L.

INSTALLATION PROCEDURE

NOTE: Refer to Fastener Notice in Service Precautions.

IMPORTANT: Clean any existing corrosion from the battery terminal bolt flange and the battery cable end.




Install the battery ground (negative) cable and bolt to the battery.

Tighten
Tighten the battery terminal bolt to 15 Nm (11 lb ft).