Operation CHARM: Car repair manuals for everyone.
Manuals through 2025 now available!

Our trusted friends have launched a new website named LEMON, which has newer manuals. It also contains all the CHARM manuals.

LEMON is the spiritual successor to CHARM, I recommend you try it!

Link: lemon-manuals.la or lemon-manuals.org.ua

(Some people have issue connecting. LEMON is investigating. For now, use Firefox or change your DNS server)

Or, hide this message: temporarily or permanently

Case: Service and Repair

Transfer Case Assembly Replacement

Removal Procedure





1. Raise the vehicle.
2. Remove the engine brace mounting bolts.
3. Remove the engine brace.
4. Remove the transfer case shield.
5. Remove the rear propeller shaft.
6. Remove the front propeller shaft.





7. Remove the motor encoder electrical connector.





8. Remove the transfer case electrical wiring harness.





9. Remove the transfer case vent hose.

Important: To perform the following service procedure, the transmission mount must be removed to gain access to the bottom retaining nut of the transfer case. Do not support the transmission by the oil pan.

10. Support the transmission with a suitable transmission jack,





11. Remove the transmission mount retaining nuts.






Important: Raise the transmission assembly enough to clear the rear crossmember.

12. Remove the transmission mount bolts.





13. Remove the transmission mount assembly.





14. Remove the transfer case bottom retaining nut.






Important: The transmission mount must be replaced in it's original position to support the transmission. When reinstalling the transmission mount, it is not necessary reinstall the mounting nuts and bolts. The weight of the transmission and engine will hold the transmission mount in place until this service procedure is completed.

15. Install the transmission mount.
16. Remove the transmission jack stand from the transmission.
17. Remove the transfer case upper retaining nuts.





18. Install the transmission jack to the transfer case.
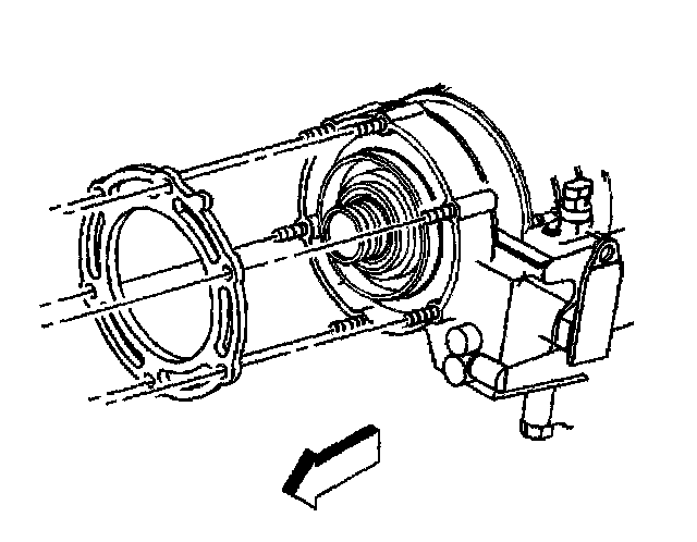
19. Remove the transfer case assembly.






Important: DO NOT reuse the old gasket if it is damaged. DO NOT use any type of sealer in place of the gasket.

20. Remove the transfer case gasket.

Installation Procedure

Important: Make sure that the locating tab on the gasket is in the proper location. The locator tab should be facing up.





1. Install a new transfer case gasket.





2. Install the transfer case assembly.






Notice: Refer to Fastener Notice in Service Precautions.

3. Install the transfer case retaining nuts.
^ Tighten the transfer case retaining nuts to 55 Nm (40 ft. lbs.).
4. Remove the transmission jack from the transfer case.
5. Install the transmission jack to the transmission.





6. Install the transmission mount.





7. Install the transmission mount bolts.
^ Tighten the transmission mount bolts 47 Nm (35 ft. lbs.).
8. Lower the transmission into place.
9. Remove the transmission jack stand.





10. Install the transmission mount retaining nuts.
^ Tighten the transmission mount retaining nuts to 40 Nm (29 ft. lbs.).





11. Install the motor encoder electrical connector.





12. Install the transfer case electrical wiring harness.





13. Install the transfer case Vent hose.
14. Install the rear propeller shaft.
15. Install the front propeller shaft.





16. Install the engine brace.
17. Install the engine brace mounting bolts.
^ Tighten the engine brace mounting bolts to 50 Nm (37 ft. lbs.),
18. Inspect the transfer case fluid level.
19. Install the transfer case shield.
20. Lower the vehicle.