Operation CHARM: Car repair manuals for everyone.
Manuals through 2025 now available!

Our trusted friends have launched a new website named LEMON, which has newer manuals. It also contains all the CHARM manuals.

LEMON is the spiritual successor to CHARM, I recommend you try it!

Link: lemon-manuals.la or lemon-manuals.org.ua

(Some people have issue connecting. LEMON is investigating. For now, use Firefox or change your DNS server)

Or, hide this message: temporarily or permanently

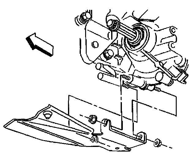
Transfer Case Shield Replacement

Transfer Case Shield Replacement

Removal Procedure





1. Raise the vehicle.
2. Remove the retaining nuts for the transfer case shield.
3. Remove the transfer case shield.

Installation Procedure





1. Install the transfer case shield.

Notice: Refer to Fastener Notice in Service Precautions.

2. Install the transfer case shield mounting nuts.
^ Tighten the transfer case shield mounting nuts to 15 Nm (11 ft. lbs.).
3. Lower the vehicle.