Intermediate/Fourth Servo Assembly Replacement
Intermediate/Fourth Servo Assembly ReplacementRemoval Procedure
Caution: Refer to Vehicle Lifting.
1. Raise the vehicle. Support the vehicle.
2. Remove the oil pan and filter.
3. Remove the oil feed pipes.
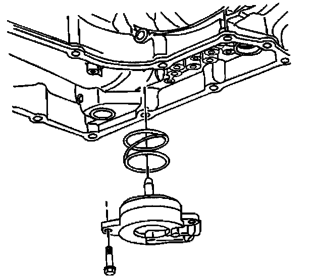
4. Remove the two intermediate/4th servo cover bolts, the servo and the spring.
5. Disassemble, clean and inspect the intermediate/4th servo assembly.
Installation Procedure
1. Assemble the intermediate/4th servo assembly.
Notice: Refer to Fastener Notice in Service Precautions.
2. Install the intermediate/4th band servo piston spring, the servo and the servo cover bolts.
Tighten the bolts to 12 Nm (106 inch lbs.).
3. Install the oil feed pipes.
4. Install the filter and the pan.
5. Lower the vehicle.
6. Fill the transmission with Dexron III fluid.
7. Connect the negative battery cable.
8. Inspect the transmission oil level.