Operation CHARM: Car repair manuals for everyone.
Manuals through 2025 now available!

Our trusted friends have launched a new website named LEMON, which has newer manuals. It also contains all the CHARM manuals.

LEMON is the spiritual successor to CHARM, I recommend you try it!

Link: lemon-manuals.la or lemon-manuals.org.ua

(Some people have issue connecting. LEMON is investigating. For now, use Firefox or change your DNS server)

Or, hide this message: temporarily or permanently

Case: Service and Repair

Case Side Cover Replacement

Removal Procedure





1. Remove the battery.





2. Remove the air inlet duct.





3. Disconnect the shift cable from the PNP switch.
4. Remove the shift cable bracket
5. Remove the PNP switch.





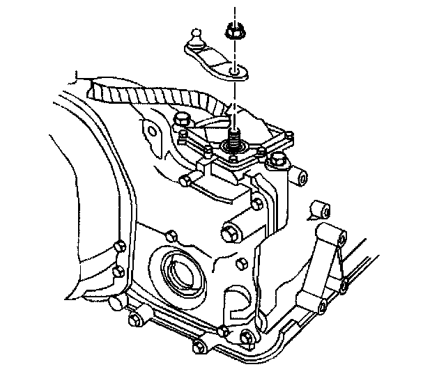
6. Remove the transmission upper side cover bolts.
7. Install the engine support fixture.
8. Raise the vehicle.
9. Remove the left front tire and wheel.
10. Remove the left inner fender liner.
11. Separate the left ball joint from the steering knuckle.
12. Remove the wheel drive shaft from the transmission.





13. Remove the power steering gear mounting bolts.
14. Remove the front suspension cross member bolts.
15. Remove the transmission mount.
16. Lower the vehicle.
17. Lower the engine with the engine support fixture.
18. Raise the vehicle.





19. Remove the transmission side cover lower bolts.
20. Remove the transmission side cover.

Installation Procedure
1. Install the transmission side cover.

Notice: Refer to Fastener Notice in Service Precautions





2. Hand start the transmission side cover lower bolts.
Tighten the side cover bolts and stud to 28 Nm (22 ft. lbs.).
3. Lower the vehicle.
4. Raise the engine with the engine support fixture.
5. Raise the vehicle.
6. Install the transmission mount.





7. Install the front suspension cross member bolts..
8. Install the power steering gear mounting bolts.
9. Install the wheel drive shaft to the transmission.





10. Connect the left ball joint to the steering knuckle.
11. Install the left inner fender liner.
12. Install the left front tire and wheel.
13. Lower the vehicle.
14. Remove the engine support fixture.
15. Hand start the transmission side cover upper bolts.
Tighten the side cover bolts and stud to 28 Nm (22 ft. lbs.).
16. Install the PNP switch.





17. Install the shift cable bracket.
18. Connect the shift cable from the PNP switch.





19. Install the air inlet duct.





20. Install the battery.
21. Fill the transmission.