Operation CHARM: Car repair manuals for everyone.
Manuals through 2025 now available!

Our trusted friends have launched a new website named LEMON, which has newer manuals. It also contains all the CHARM manuals.

LEMON is the spiritual successor to CHARM, I recommend you try it!

Link: lemon-manuals.la or lemon-manuals.org.ua

(Some people have issue connecting. LEMON is investigating. For now, use Firefox or change your DNS server)

Or, hide this message: temporarily or permanently

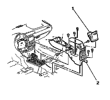
Console Replacement



Console Replacement

Removal Procedure

1. Remove the front seats from the vehicle.
2. Fold the console compartment up.
3. Remove the rear cupholder from the center console.
4. Remove the console trim plate.




5. Remove the console screws from the center console.
6. Remove the center console (2) from the vehicle.

Installation Procedure




1. Install the center console (2) into the vehicle.

Notice: Refer to Fastener Notice in Service Precautions.

2. Install the console screws into the center console.

Tighten the screws to 2.3 N.m (20 lb in).

3. Install the console trim plate.
4. Install the rear cupholder to the center console.
5. Install the front seats into the vehicle.