Operation CHARM: Car repair manuals for everyone.
Manuals through 2025 now available!

Our trusted friends have launched a new website named LEMON, which has newer manuals. It also contains all the CHARM manuals.

LEMON is the spiritual successor to CHARM, I recommend you try it!

Link: lemon-manuals.la or lemon-manuals.org.ua

(Some people have issue connecting. LEMON is investigating. For now, use Firefox or change your DNS server)

Or, hide this message: temporarily or permanently

Timing Cover: Service and Repair

Engine Front Cover Replacement
1. Remove the crankcase balancer.





2. Remove the drive belt tensioner.





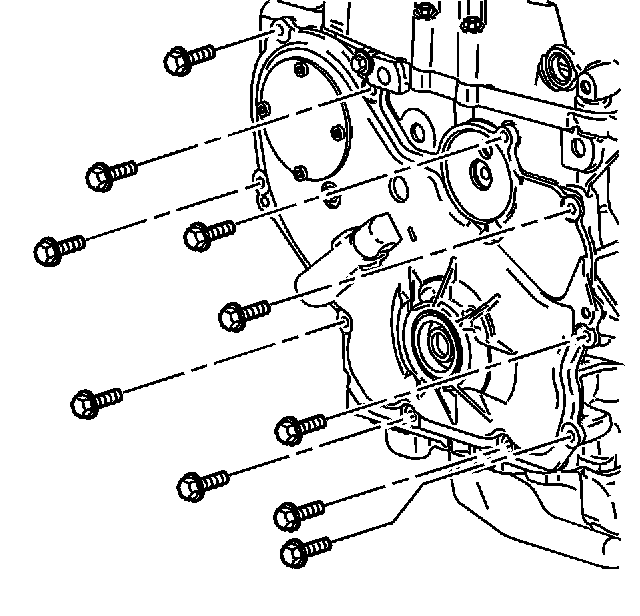
3. Remove the engine front cover to water pump bolt.





4. Remove the remaining engine front cover bolts.
5. Remove the engine front cover.
^ If the engine front cover gasket is damaged.
^ Remove the front engine mount.
^ Remove the engine front cover gasket if it is damaged.

Installation Procedure





1. If removed install a new engine front cover gasket.
2. Install the front engine mount.
3. Install the engine front cover.

4. Notice:
Fastener Notice in Cautions and Notices.

Install the engine front cover bolts.
^ Tighten the engine front cover bolts to 25 Nm (18 ft. lbs.).





5. Install the water pump bolt.
^ Tighten the water pump bolt to 25 Nm (18 ft. lbs.).





6. Install the drive belt tensioner.
7. Install the drive belt tensioner bolt.
^ Tighten the drive belt tensioner bolt to 45 Nm (33 ft. lbs.).
8. Install the crankcase balancer.