Operation CHARM: Car repair manuals for everyone.
Manuals through 2025 now available!

Our trusted friends have launched a new website named LEMON, which has newer manuals. It also contains all the CHARM manuals.

LEMON is the spiritual successor to CHARM, I recommend you try it!

Link: lemon-manuals.la or lemon-manuals.org.ua

(Some people have issue connecting. LEMON is investigating. For now, use Firefox or change your DNS server)

Or, hide this message: temporarily or permanently

Intake Manifold: Service and Repair

Intake Manifold Replacement

Removal Procedure





1. Remove the throttle body.
2. Remove the battery box.
3. Remove the oil level indicator and tube.
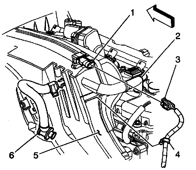
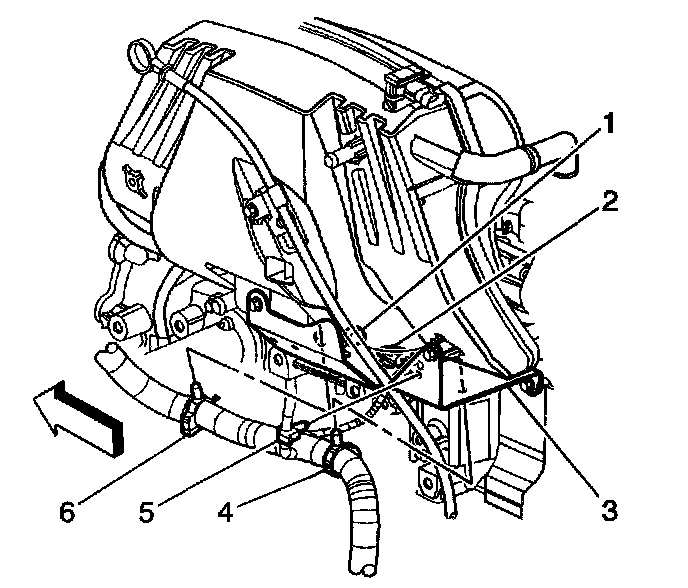
4. Disconnect the brake booster hose (6) from the brake booster.
5. Disconnect the MAP sensor electrical connector (3).
6. Disconnect the MAP sensor wiring harness retainer (4) from the intake manifold (5).
7. Disconnect the PCV dirty air tube (2) from the camshaft cover.
8. Remove the generator.





9. Disconnect the engine wiring harness retainer (1) from the intake manifold (2).





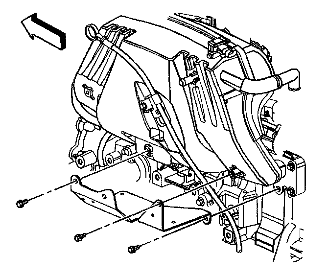
10. Remove the 2 upper bolts securing the engine wiring harness bracket to the intake manifold.
11. Raise and support the vehicle only high enough to access the remaining components through the wheelhouse.
12. Remove the left front wheel.
13. Remove the left front wheelhouse liner.





14. Disconnect the following wiring harness retainers from the engine wiring harness bracket:
^ The battery cable
^ The engine (4, 6)
^ The MAP sensor (5)





15. Remove the remaining engine wiring harness bracket bolt. Remove the bracket from the engine compartment through the wheelhouse opening.





16. Remove the intake manifold bolts.
17. Lower the vehicle.
18. Remove the intake manifold from the cylinder head.
19. Remove the seal from the intake manifold. Discard the seal.
20. Mask off the open ports to the cylinder head, in order to prevent foreign objects from entering the engine.
21. Clean and Inspect the intake manifold.

Installation Procedure





1. Remove the masking from the cylinder head and ensure the sealing surface is clean and dry.
2. Install a NEW seal into the intake manifold groove.
3. Position the intake manifold to the cylinder head.
4. Raise and support the vehicle only high enough to access the following components through the wheelhouse
^ The intake manifold bolts
^ The engine wiring harness bracket bolts
^ The wiring harnesses

Notice: Refer to Fastener Notice in Service Precautions.

5. Install the intake manifold bolts.
^ Tighten the intake manifold bolts from the inside working outward to 10 Nm (89 inch lbs.).





6. Position the engine wiring harness bracket to the engine and harnesses.
7. Install the engine wiring harness bracket bolts.
^ Tighten the engine wiring harness bracket bolts to 10 Nm (89 inch lbs.).





8. Secure the following wiring harness retainers to the engine wiring harness bracket:
^ The battery cable
^ The engine (4, 6)
^ The MAP sensor (5)
9. Install the left front wheelhouse liner.
10. Install the left front wheel.
11. Lower the vehicle.





12. Connect the engine wiring harness retainer (1) to the intake manifold (2).
13. Install the generator.





14. Connect the PCV dirty air tube (2) to the camshaft cover.
15. Connect the MAP sensor wiring harness retainer (4) to the intake manifold (5).
16. Connect the MAP sensor electrical connector (3).
17. Connect the brake booster hose (6) to the brake booster.
18. Install the oil level indicator and tube.
19. Install the battery box.
20. Install the throttle body.