Operation CHARM: Car repair manuals for everyone.
Manuals through 2025 now available!

Our trusted friends have launched a new website named LEMON, which has newer manuals. It also contains all the CHARM manuals.

LEMON is the spiritual successor to CHARM, I recommend you try it!

Link: lemon-manuals.la or lemon-manuals.org.ua

(Some people have issue connecting. LEMON is investigating. For now, use Firefox or change your DNS server)

Or, hide this message: temporarily or permanently

Positive Crankcase Ventilation: Testing and Inspection

Crankcase Ventilation System Inspection/Description

Crankcase Ventilation (CV) System Inspection





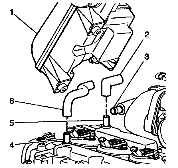
^ Test for vacuum at the Positive Crankcase Ventilation (PCV) dirty air hose (2) where it connects to the vacuum orifice tube (5) in the camshaft cover. There should be manifold vacuum present at the hose (2). If there is no vacuum, inspect for a plugged hose, leaking hose or a plugged intake manifold passage.
^ If oil has accumulated in the air cleaner resonator (1), inspect for the following conditions:
^ Plugged vacuum orifice tube (5) in the camshaft cover
^ Plugged, restricted, or leaking PCV dirty air hose (2)
^ Plugged or restricted intake manifold passage (3)
^ Excessive crankcase pressure or blow-by
^ Additional items to inspect:
^ Plugged or restricted vacuum tube (4) in the camshaft cover
^ Plugged or restricted PCV fresh air hose (6)
^ Plugged or restricted passage in the air cleaner resonator (1)
^ Inspect the cam cover, the oil pan, engine front cover, and other sealing areas for leaks

Results of Incorrect Operation
A plugged crankcase ventilation system may contribute to the following conditions:
^ A rough idle
^ Stalling or a slow idle speed
^ Oil leaks
^ Oil accumulation in the air cleaner resonator (1)
^ Sludge in the engine A leaking hose may contribute to the following conditions:
^ A rough idle
^ Stalling
^ Unstable idle speed
The crankcase ventilation system has no serviceable components so no maintenance of the system is required.