Operation CHARM: Car repair manuals for everyone.
Manuals through 2025 now available!

Our trusted friends have launched a new website named LEMON, which has newer manuals. It also contains all the CHARM manuals.

LEMON is the spiritual successor to CHARM, I recommend you try it!

Link: lemon-manuals.la or lemon-manuals.org.ua

(Some people have issue connecting. LEMON is investigating. For now, use Firefox or change your DNS server)

Or, hide this message: temporarily or permanently

Ignition Coil: Service and Repair

IGNITION COIL(S) REPLACEMENT

REMOVAL PROCEDURE
1. Remove the air cleaner resonator and outlet duct.




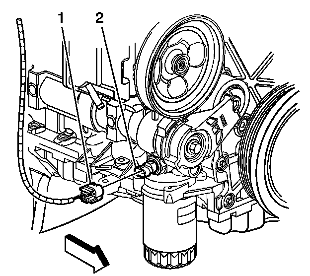
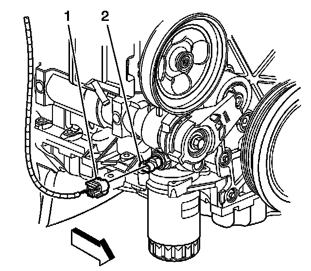
2. Disconnect the engine wiring harness electrical connector (1) from the oil pressure sensor (2).




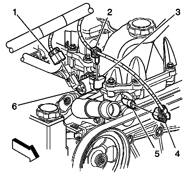
3. Disconnect the engine wiring harness retainers (1) from the power steering pump (2).




4. Disconnect the engine wiring harness electrical connectors (1, 4) from the following:
- The exhaust camshaft position (CMP) sensor (5)
- The camshaft position (CMP) actuator solenoid valve (6)
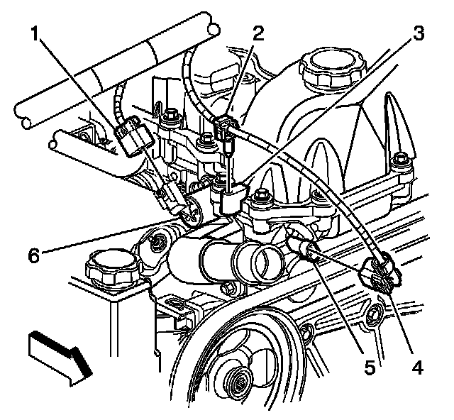
5. Disconnect the engine wiring harness retainer (2) from the camshaft cover (3).




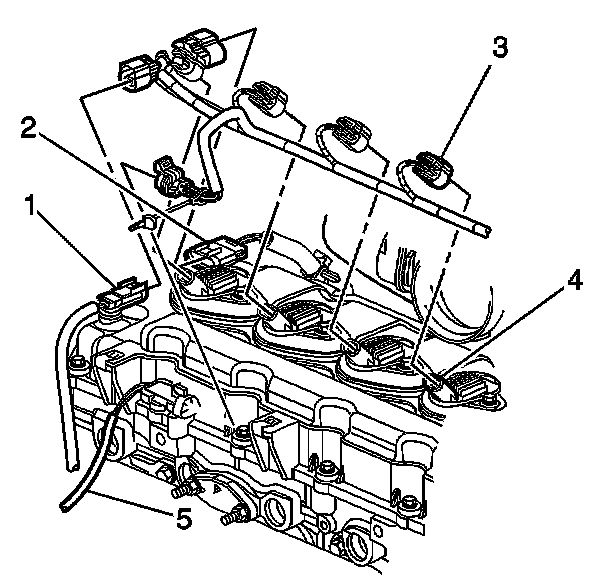
6. Disconnect the engine wiring harness electrical connectors from the following:
- The engine coolant temperature (ECT) sensor (1)
- The fuel injector harness (2)
- The ignition coils (4)
- The heated oxygen sensor (HO2S) (5)




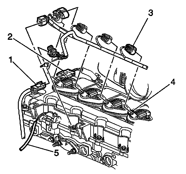
7. Disconnect the engine wiring harness electrical connector from the intake camshaft position (CMP) sensor.




8. Carefully disengage the engine wiring harness conduit from the camshaft cover, and position aside.




9. Remove the ignition coil bolts.
10. Remove the ignition coils from the camshaft cover.

INSTALLATION PROCEDURE

IMPORTANT: Ensure the ignition coil seals are properly seated to the camshaft cover.




1. Install the ignition coils into the camshaft cover.

NOTE: Refer to Fastener Notice in Service Precautions.

2. Install the ignition coil bolts.

Tighten
Tighten the ignition coil bolts to 10 N.m (89 lb in).




3. Attach the engine wiring harness conduit to the camshaft cover.




4. Connect the engine wiring harness electrical connector to the intake CMP sensor.




5. Connect the engine wiring harness electrical connectors to the following:
- The ECT sensor (1)
- The fuel injector harness (2)
- The ignition coils (4)
- The HO2S (5)




6. Connect the engine wiring harness electrical connectors (1, 4) to the following:
- The exhaust CMP sensor (5)
- The CMP actuator solenoid valve (6)
7. Connect the engine wiring harness retainer (2) to the camshaft cover (3).




8. Connect the engine wiring harness retainers (1) to the power steering pump (2).




9. Connect the engine wiring harness electrical connector (1) to the oil pressure sensor (2).
10. Install the air cleaner resonator and outlet duct.