Operation CHARM: Car repair manuals for everyone.
Manuals through 2025 now available!

Our trusted friends have launched a new website named LEMON, which has newer manuals. It also contains all the CHARM manuals.

LEMON is the spiritual successor to CHARM, I recommend you try it!

Link: lemon-manuals.la or lemon-manuals.org.ua

(Some people have issue connecting. LEMON is investigating. For now, use Firefox or change your DNS server)

Or, hide this message: temporarily or permanently

Intake Manifold: Service and Repair

Intake Manifold Replacement

Removal Procedure

Important: The intake manifold, throttle body, fuel injection rail, and injectors may be removed as an assembly. If not servicing the individual components, remove the manifold as a complete assembly.





1. Drain the cooling system.
2. If replacing the intake manifold, perform the following:
^ Remove the throttle body.
^ Remove the fuel injectors.

3. Remove the right fuel rail cover.





4. Remove the left fuel rail cover.





5. Remove the fuel feed hose.
6. Disconnect the Evaporative Emission (EVAP) canister purge tube from the intake manifold.
7. Disconnect the EVAP canister purge tube from the EVAP canister purge solenoid valve.
8. Remove the EVAP canister purge tube.





9. Disconnect the EVAP canister purge tube from the EVAP canister purge solenoid valve.
10. Disconnect the EVAP canister purge tube from the fuel feed pipe.
11. Remove the EVAP canister purge tube.





12. Disconnect the Throttle Position (TP) sensor electrical connector.
13. Remove the coolant air bleed hose.





14. Reposition the throttle body heater outlet hose clamp at the throttle body.
15. Remove the throttle body heater outlet hose from the throttle body.





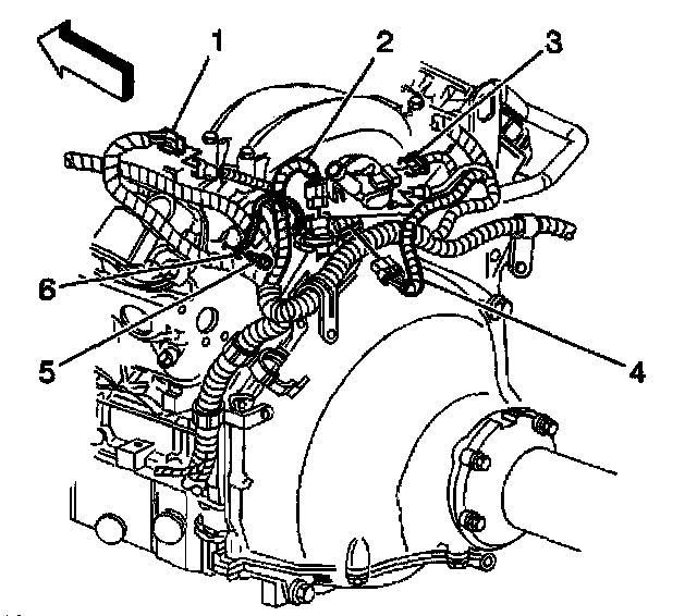
17. Disconnect all the fuel injector electrical connectors (1).
18. Disconnect the EVAP canister purge solenoid valve electrical connector (2).
19. Disconnect the Electronic Throttle Control (ETC) electrical connector (3).





20. Remove the EVAP canister purge solenoid valve from the bracket.
21. Disconnect the harness clips at the fuel rails.
22. Reposition the intake manifold branches of the wiring harness.





23. Disconnect the power brake booster vacuum hose at the booster.





24. Remove the knock sensor wire harness (1) clip from the fuel rail stop bracket (2).





25. Remove the TP sensor harness clip from the Positive Crankcase Ventilation (PCV) tube.
26. Remove the PCV tube from the right rocker arm cover and throttle body.





27. If equipped with the Regular Production Option (RPO) LS1 engine, remove the PCV valve pipe from the left rocker arm cover.





28. If equipped with the RPO LS1 engine, remove the PCV valve pipe strap nut. 29. Remove the PCV valve pipe from the right rocker arm cover and intake manifold.





30. If equipped with the RPO LS6 engine, remove the PCV valve hose (1) from the valley cover and intake manifold.





31. Remove the intake manifold bolts (1) and fuel rail stop bracket (2).
32. Position the intake manifold forward.





33. Disconnect the Manifold Absolute Pressure (MAP) sensor vacuum hose.
34. Disconnect the MAP sensor (3) electrical connector.





35. Remove the intake manifold.





36. Remove the intake manifold gaskets (1). Discard the old gaskets.
37. Clean and inspect the intake manifold.

Installation Procedure

Important: DO NOT reuse the intake manifold gaskets. Install NEW intake manifold gaskets.





1. Install NEW intake manifold gaskets (1) to the manifold.





2. Install intake manifold.
3. Position the intake manifold forward.





4. Connect the MAP sensor vacuum hose.
5. Connect the MAP sensor (3) electrical connector.
6. Position the intake manifold into place.





7. Apply threadlock GM U.S. P/N 12345382, Canada P/N 1095,3489, or equivalent to the threads of the intake manifold bolts (1).

Caution: The fuel rail stop bracket must be installed onto the engine assembly. The stop bracket serves as a protective shield for the fuel rail in the event of a vehicle frontal crash. If the fuel rail stop bracket is not installed and the vehicle is involved in a frontal crash, fuel could be sprayed possibly causing a fire and personal injury from burns.

8. Install the fuel rail stop bracket (2).
9. Install the intake manifold bolts (1).

Notice: Refer to Fastener Notice in Service Precautions

Intake Manifold Tightening Sequence:





10. Tighten the intake manifold bolts.
10.1. Tighten the intake manifold bolts a first pass in sequence to 5 Nm (44 inch lbs.).
10.2. Tighten the intake manifold bolts a final pass in sequence to 10 Nm (89 inch lbs.).





11. If equipped with the RPO LS6 engine, install the PCV valve hose (1) to the valley cover and intake manifold.





12. If equipped with the RPO LS1 engine, install the PCV valve pipe to the right valve rocker arm cover and intake manifold.
13. Install the PCV pipe strap nut.
Tighten the PCV pipe strap nut to 12 Nm (106 inch lbs.).





14. If equipped with the RPO LS1 engine, install the PCV valve pipe to the left rocker arm cover.





15. Install the PCV tube to the right rocker arm cover.
16. Install the TP sensor harness clip to the PCV tube.





17. Install the knock sensor wire harness (1) to the fuel rail stop bracket (2).





18. Connect the power brake booster vacuum hose to the booster.





19. Position the intake manifold branches of the wiring harness.
20. Connect the harness clips at the fuel rails.
21. Install the EVAP canister purge solenoid valve from the bracket.





22. Connect the ETC electrical connector (3).
23. Connect the EVAP canister purge solenoid valve electrical connector (2).
24. Connect all the fuel injector electrical connectors (1).





25. Install the throttle body heater outlet hose.
26. Install the throttle body heater outlet hose to the throttle body.
27. Position the throttle body heater outlet hose clamp at the throttle body.
28. Install the coolant air bleed hose.





29. Connect the TP sensor electrical connector.





30. Install the EVAP canister purge tube.
31. Connect the EVAP canister purge tube to the fuel feed pipe.
32. Connect the EVAP canister purge tube to the EVAP canister purge solenoid valve.





33. Install the EVAP canister purge tube.
34. Connect the EVAP canister purge tube to the EVAP canister purge solenoid valve.
35. Connect the evaporative emission (EVAP) canister purge tube to the intake manifold.
36. Install the fuel feed hose.





37. Install the left fuel rail cover.





38. Install the right fuel rail cover.
39. If replacing the intake manifold, perform the following:
^ Install the throttle body.
^ Install the fuel injectors.

40. Fill the cooling system.