Operation CHARM: Car repair manuals for everyone.
Manuals through 2025 now available!

Our trusted friends have launched a new website named LEMON, which has newer manuals. It also contains all the CHARM manuals.

LEMON is the spiritual successor to CHARM, I recommend you try it!

Link: lemon-manuals.la or lemon-manuals.org.ua

(Some people have issue connecting. LEMON is investigating. For now, use Firefox or change your DNS server)

Or, hide this message: temporarily or permanently

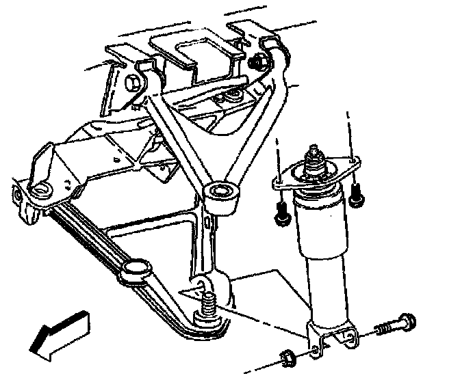
Rear Crossmember Replacement

Crossmember Replacement

Removal Procedure





1. Raise and support the vehicle. Refer to Vehicle Lifting.
2. Remove the tire and wheel assemblies.
3. Disconnect the electrical connectors from both wheel speed sensors.





4. Disconnect the real time damping (RTD) position sensor links, if equipped.





5. Disconnect the shock absorber solenoid electrical connectors, if equipped.
6. Remove the transverse spring from the crossmember.
7. Support the crossmember with a transmission jack.
8. Remove the stabilizer shaft from the vehicle.
9. Disconnect the outer tie rod end studs from the rear suspension knuckles.





10. Remove the transaxle mount lower nuts.





11. Remove the shock absorber lower mounting bolts from the lower control arms.
12. Remove the upper control arm from the rear axle.
13. Loosen the nut on the lower control arm ball joint stud. Do not remove.
14. Rotate the suspension knuckles backwards until the wheel drive shaft clears the differential.
15. Support the wheel drive shafts and the rear suspension knuckles.
16. Disconnect all the electrical connectors from the crossmember.
17. Disconnect the brake pipes from the crossmember.
18. Support the transaxle under the transmission pan with a transmission jack.
19. Remove the rear crossmember mounting nuts.
20. Remove the crossmember from the vehicle.
21. Discard the rear crossmember mounting nuts.

Installation Procedure





1. Install the crossmember to the vehicle.
- Align the crossmember dowel pins to the holes in the frame rails.
- Align the transaxle mount studs to the crossmember.

Notice: Refer to Fastener Notice in Service Precautions.

2. Install NEW rear suspension crossmember mounting nuts.
- Tighten the NEW rear crossmember mounting bolts to 110 Nm (81 ft. lbs.).
3. Remove the transmission jack from the transmission pan.
4. Connect all electrical connectors to the crossmember.
5. Connect the brake pipes to the retainers in the crossmember.
6. Install the transaxle mount lower nuts.
7. Install the inner constant velocity (CV) joints to the differential.
8. Install the rear suspension knuckles to the lower control arms.
9. Install the shock absorbers to the lower control arms.
10. Install the outer tie rod end studs into the rear suspension knuckles.
11. Install the stabilizer shaft to the crossmember.
12. Remove the jack stands from under the lower control arms.
13. Install the transverse spring to the crossmember.





14. Connect the electrical connectors to the wheel speed sensors.





15. Connect the shock absorber solenoid connectors, if equipped.





16. Connect the RTD position sensor links, if equipped.





17. Set the spring stud height (1) to the measurement taken before removal.
18. Install the tire and wheel assemblies.
19. Lower the vehicle