Operation CHARM: Car repair manuals for everyone.
Manuals through 2025 now available!

Our trusted friends have launched a new website named LEMON, which has newer manuals. It also contains all the CHARM manuals.

LEMON is the spiritual successor to CHARM, I recommend you try it!

Link: lemon-manuals.la or lemon-manuals.org.ua

(Some people have issue connecting. LEMON is investigating. For now, use Firefox or change your DNS server)

Or, hide this message: temporarily or permanently

Air Injection Control Valve: Service and Repair

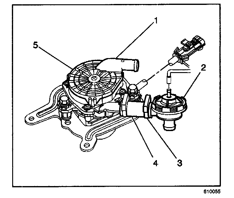
SECONDARY AIR INJECTION (AIR) SHUT-OFF VALVE REPLACEMENT

REMOVAL PROCEDURE
1. Remove the fascia front close out panel.




2. Remove the vacuum hose from the secondary air injection (AIR) shut off valve (2).




3. Remove the clamps (2) from the AIR shut off valve hoses.
4. Remove the AIR hose (1) from the AIR shut off valve outlet port.
5. Remove the AIR shut off valve.

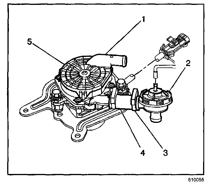
INSTALLATION PROCEDURE




1. Install the AIR pump shut off valve.
2. Install the AIR hose (1) to the AIR shut off valve outlet port.
3. Install the clamps (2) to the AIR shut off valve hoses.




4. Install the vacuum hose to the AIR shut off valve (2).
5. Install the fascia front close out panel.