Operation CHARM: Car repair manuals for everyone.
Manuals through 2025 now available!

Our trusted friends have launched a new website named LEMON, which has newer manuals. It also contains all the CHARM manuals.

LEMON is the spiritual successor to CHARM, I recommend you try it!

Link: lemon-manuals.la or lemon-manuals.org.ua

(Some people have issue connecting. LEMON is investigating. For now, use Firefox or change your DNS server)

Or, hide this message: temporarily or permanently

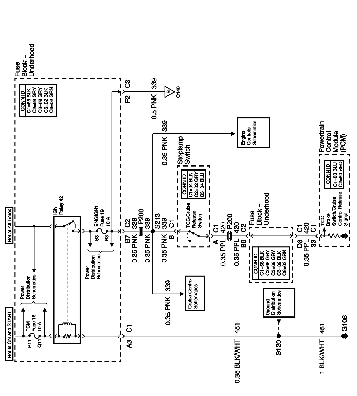
Electrical Diagrams

Automatic Transmission Controls Schematics





Torque Convertor Clutch (TCC) Control Switch





Transmission Valve Controls





Automatic Transmission Fluid Pressure (TFP) Manual Valve Position Switch and Pressure Control Solenoid (PC SOL) Valve