Operation CHARM: Car repair manuals for everyone.
Manuals through 2025 now available!

Our trusted friends have launched a new website named LEMON, which has newer manuals. It also contains all the CHARM manuals.

LEMON is the spiritual successor to CHARM, I recommend you try it!

Link: lemon-manuals.la or lemon-manuals.org.ua

(Some people have issue connecting. LEMON is investigating. For now, use Firefox or change your DNS server)

Or, hide this message: temporarily or permanently

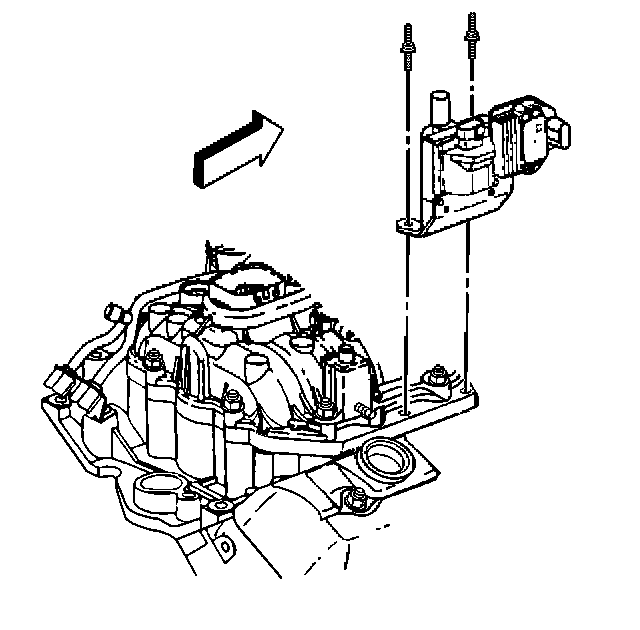
Ignition Coil: Service and Repair

IGNITION COIL(s) REPLACEMENT

REMOVAL PROCEDURE
1. Remove the engine cover.
2. Disconnect the ignition coil electrical connectors.
3. Remove the ignition coil wire to the distributor.




4. Remove the accelerator cable bracket.




5. Remove the studs holding the bracket and the ignition coil to the intake manifold.
6. Remove the bracket and the ignition coil.
7. Drill and punch out the two rivets holding the ignition coil to the bracket.
8. Remove the ignition coil from the bracket.

INSTALLATION PROCEDURE

IMPORTANT: A replacement ignition coil kit comes with 2 screws in order to attach the ignition coil to the bracket.

1. Install the ignition coil to the bracket with the 2 screws.

NOTE: Refer to Fastener Notice in Service Precautions.




2. Install the ignition coil and the bracket to the intake manifold with studs.

Tighten
Tighten the studs to 11 N.m (97 lb in).




3. Install the accelerator control bracket.

Tighten
Tighten the accelerator control cable bracket nuts and studs to 12 N.m (106 lb in).




4. Install the ignition coil wire.
The wire must not touch anything like the dip stick. Rubbing will make a ground or short after time of use.
5. Install the electrical connectors.
6. Install the engine cover.