Operation CHARM: Car repair manuals for everyone.
Manuals through 2025 now available!

Our trusted friends have launched a new website named LEMON, which has newer manuals. It also contains all the CHARM manuals.

LEMON is the spiritual successor to CHARM, I recommend you try it!

Link: lemon-manuals.la or lemon-manuals.org.ua

(Some people have issue connecting. LEMON is investigating. For now, use Firefox or change your DNS server)

Or, hide this message: temporarily or permanently

Alternator: Service and Repair

GENERATOR REPLACEMENT

REMOVAL PROCEDURE

CAUTION: Refer to Battery Disconnect Caution in Service Precautions.

1. Disconnect the battery negative cable.
2. Remove the coolant reservoir.
3. Remove the air cleaner assembly.
4. Remove the upper fan shroud.
5. Remove the drive belt from the generator.
6. Remove the heater hose pipe from the generator.




7. Remove the oil fill tubes from the support bracket.




8. Remove the support bracket from the generator bracket.




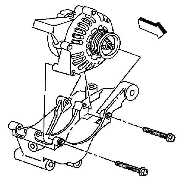
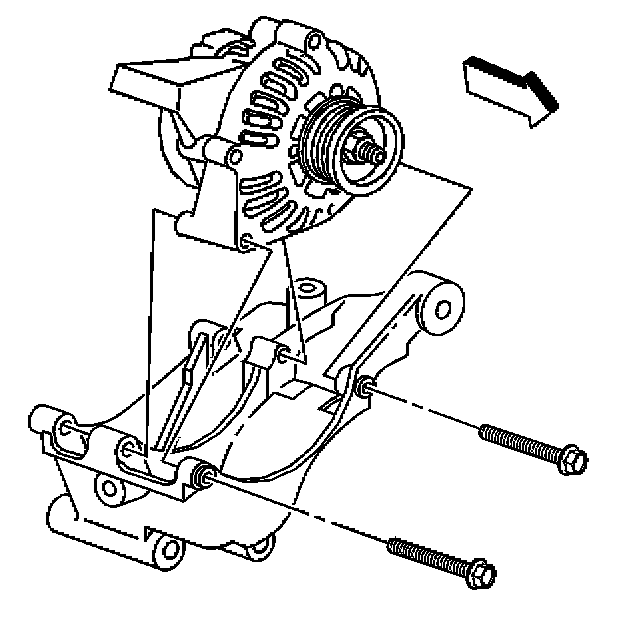
9. Remove the generator mounting bolts.
10. Remove the generator from the engine.




11. Disconnect the electrical connectors.

INSTALLATION PROCEDURE

NOTE: Refer to Fastener Notice in Service Precautions.




1. Connect the electrical connectors to the generator.

Tighten
Tighten the generator output (BAT) terminal nut to 18 N.m (13 lb ft).




2. Install the generator to the engine.
3. Install the generator mounting bolts.

Tighten
- Tighten the generator front mounting bolts to 50 N.m (37 lb ft).
- Tighten the generator rear mounting bolt to 25 N.m (18 lb ft).




1. Install the oil fill tube support bracket to the generator bracket.
2. Install the oil fill tube support bracket bolt and stud.

Tighten
Tighten the oil fill tube support bracket bolt and stud to 25 N.m (18 lb ft).




3. Install the oil fill tube to the support bracket.
4. Install the oil fill tube screw to the support bracket.

Tighten
Tighten the oil fill tube screw to 5 N.m (44 lb in).

5. Install the heater hose pipe to the generator.
6. Install the drive belt to the generator.
7. Install the upper fan shroud.
8. Install the air cleaner.
9. Install the coolant reservoir.
10. Connect the battery negative cable.