Operation CHARM: Car repair manuals for everyone.
Manuals through 2025 now available!

Our trusted friends have launched a new website named LEMON, which has newer manuals. It also contains all the CHARM manuals.

LEMON is the spiritual successor to CHARM, I recommend you try it!

Link: lemon-manuals.la or lemon-manuals.org.ua

(Some people have issue connecting. LEMON is investigating. For now, use Firefox or change your DNS server)

Or, hide this message: temporarily or permanently

Condenser HVAC: Service and Repair

CONDENSER REPLACEMENT

TOOLS REQUIRED
J 39400-A Halogen Leak Detector

REMOVAL PROCEDURE
1. Recover the refrigerant from the A/C system. Refer to Refrigerant Recovery and Recharging.
2. Remove the grille.




3. Remove the discharge hose retaining nut (2).
4. Remove the discharge hose from the condenser.




5. Remove the evaporator hose retaining nut (1).
6. Remove the evaporator hose from the condenser.




7. Disconnect the electrical connector from the outside air temperature sensor (1).




8. Remove the outside air temperature bracket bolt (1).
9. Remove the bracket.
10. Remove the sealing washers from the hoses.




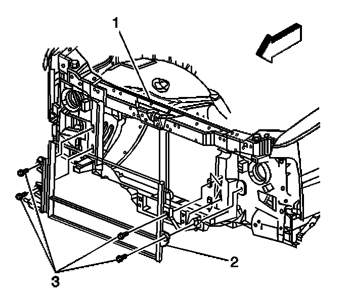
11. Remove the condenser retaining bolts (3).
12. Remove the condenser (2).
13. Cap off the condenser fittings.

INSTALLATION PROCEDURE
1. If replacing condenser, add the specified amount of PAG oil directly into the condenser. Refer to Refrigerant System Capacities.




2. Remove the plugs from the condenser fittings.
3. Install new sealing washers.
4. Install the condenser.

NOTE: Refer to Fastener Notice in Service Precautions.

5. Install the condenser retaining bolts (3).

Tighten
Tighten the bolts to 9 N.m (80 lb in).

6. Install the outside air temperature bracket.




7. Install the outside air temperature bracket bolt (1).




8. Connect the outside air temperature sensor electrical connector to the sensor (1).




9. Install the evaporator hose to the condenser.
10. Install the evaporator hose retaining nut (1).

Tighten
Tighten the nut to 16 N.m (12 lb ft).




11. Install the discharge hose to the condenser.
12. Install the discharge hose nut (2).

Tighten
Tighten the nut to 16 N.m (12 lb ft).

13. Install the grille.
14. Evacuate and recharge the A/C system. Refer to Refrigerant Recovery and Recharging.
15. Leak test the fittings of the component using the J 39400-A.