Operation CHARM: Car repair manuals for everyone.
Manuals through 2025 now available!

Our trusted friends have launched a new website named LEMON, which has newer manuals. It also contains all the CHARM manuals.

LEMON is the spiritual successor to CHARM, I recommend you try it!

Link: lemon-manuals.la or lemon-manuals.org.ua

(Some people have issue connecting. LEMON is investigating. For now, use Firefox or change your DNS server)

Or, hide this message: temporarily or permanently

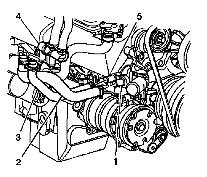
Heater Control Valve: Service and Repair

COOLANT BYPASS VALVE REPLACEMENT

TOOLS REQUIRED
J 38185 Hose Clamp Pliers

REMOVAL PROCEDURE
1. Remove the air cleaner.
2. Remove the upper fan shroud.




3. Drain the engine coolant. Refer to Draining and Filling Cooling System in Cooling System.
4. Remove the upper heater inlet hose clamp and the upper heater outlet hose clamp from the inlet of the coolant bypass valve (4) using the J 38185.
5. Remove the upper heater inlet hose and the upper heater outlet hose from the outlet of the coolant bypass valve.
6. Remove the lower heater inlet hose clamp and the lower heater outlet hose clamp from the outlet of the coolant bypass valve (4) using the J 38185.
7. Remove the lower heater inlet hose and the lower heater inlet hose from the inlet of the coolant bypass valve.
8. Remove the vacuum hose from the coolant bypass valve.

INSTALLATION PROCEDURE




1. Install the coolant bypass valve (4).
2. Install the vacuum hose to the coolant bypass valve.
3. Install the lower heater inlet hose (5) and the lower heater outlet hose (6) to the inlet of the coolant bypass valve (4).
4. Install the lower heater inlet hose clamp and the lower heater outlet hose clamp to the inlet of the coolant bypass valve using the J 38185.
5. Install the upper heater inlet hose and the upper heater outlet hose to the outlet of the coolant bypass valve.
6. Install the upper heater inlet hose clamp and the upper heater outlet hose clamp to the inlet of the coolant bypass valve using the J 38185.
7. Fill the cooling system. Refer to Draining and Filling Cooling System in Cooling System.
8. Install the upper fan shroud.
9. Install the air cleaner.