Operation CHARM: Car repair manuals for everyone.
Manuals through 2025 now available!

Our trusted friends have launched a new website named LEMON, which has newer manuals. It also contains all the CHARM manuals.

LEMON is the spiritual successor to CHARM, I recommend you try it!

Link: lemon-manuals.la or lemon-manuals.org.ua

(Some people have issue connecting. LEMON is investigating. For now, use Firefox or change your DNS server)

Or, hide this message: temporarily or permanently

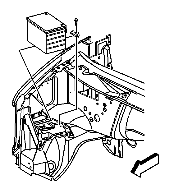
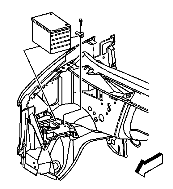
Battery Tray Replacement

BATTERY TRAY REPLACEMENT

REMOVAL PROCEDURE

1. Remove the coolant recovery reservoir bolt and reposition the reservoir.

CAUTION: Refer to Battery Disconnect Caution in Service Precautions.




2. Disconnect the battery negative cable from the battery negative terminal.
3. Disconnect the battery positive cable from the battery positive terminal.
4. Remove the battery limiter from the vehicle if equipped.




5. Remove the battery hold-down bolt and retainer.
6. Remove the battery.




7. Remove the battery tray bolts.
8. Remove the battery tray from the vehicle.

INSTALLATION PROCEDURE




1. Install the battery tray to the vehicle.

NOTE: Refer to Fastener Notice in Service Precautions.

2. Install the battery tray bolts.

Tighten
Tighten the battery tray bolts to 25 N.m (18 lb ft).




3. Install the battery.
4. Install the battery hold-down retainer and bolt.

Tighten
Tighten the battery hold-down retainer bolt to 25 N.m (18 lb ft).




5. Install the positive battery cable to the battery with the battery terminal bolt.

Tighten
Tighten the battery terminal bolt to 17 N.m (13 lb ft).

6. Install the battery negative cable to the battery with the battery terminal bolts.

Tighten
Tighten the battery terminal bolt to 17 N.m (13 lb ft).

7. Install the coolant recovery reservoir.

Tighten
Tighten the bolt to 11 N.m (97 lb in).