Operation CHARM: Car repair manuals for everyone.
Manuals through 2025 now available!

Our trusted friends have launched a new website named LEMON, which has newer manuals. It also contains all the CHARM manuals.

LEMON is the spiritual successor to CHARM, I recommend you try it!

Link: lemon-manuals.la or lemon-manuals.org.ua

(Some people have issue connecting. LEMON is investigating. For now, use Firefox or change your DNS server)

Or, hide this message: temporarily or permanently

Lower Intake Manifold Replacement

Intake Manifold Replacement - Lower

Removal Procedure





1. Disconnect the negative battery cable.
2. Remove the upper intake manifold.
3. Remove the left valve rocker arm cover.
4. Remove the right valve rocker arm cover.
5. Disconnect the engine coolant temperature (ECT) sensor electrical connector.





6. Disconnect and remove the fuel injector and the manifold absolute pressure (MAP) sensor wiring harnesses.





7. Remove the fuel pipe clip bolt.





8. Remove the fuel pipe clip.





9. Remove the fuel injector rail.
10. Remove the power steering pump from the front engine cover and reposition.





11. Remove the heater inlet pipe with the heater hose from the lower intake manifold and reposition the pipe.
12. Remove the radiator inlet hose from the engine.





13. Remove the thermostat bypass hose from the thermostat bypass pipe and the lower intake manifold pipe.





14. Remove the lower intake manifold bolts.
15. Remove the lower intake manifold.
16. Remove the valve rocker arms and pushrods.





17. Remove the lower intake manifold gaskets and seals.
18. Clean the lower intake manifold gasket mating surfaces.
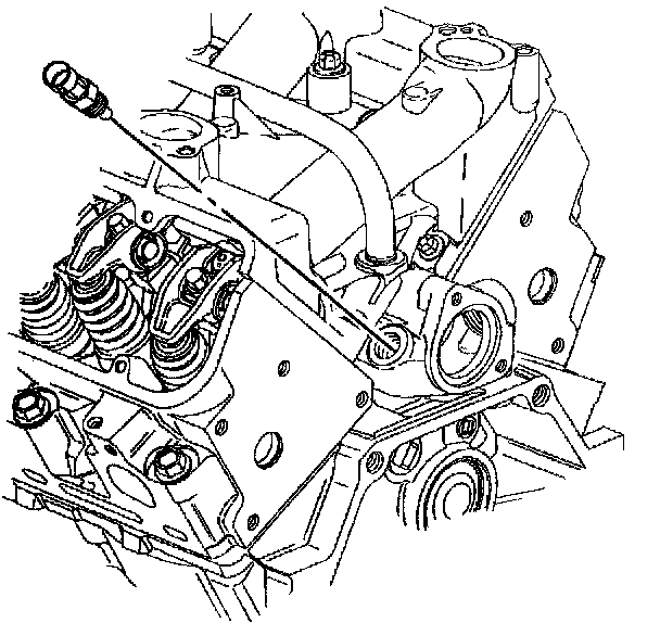
19. Remove and clean all the RTV sealant from the lower intake manifold and the engine block (1).





20. Remove the ECT sensor.





21. Remove the water outlet bolts.
22. Remove the water outlet.





23. Remove the thermostat.

Installation Procedure





1. Install the thermostat.





2. Install the water outlet.

Notice: Refer to Fastener Notice in Service Precautions.

3. Install the water outlet bolts.
- Tighten the bolts to 25 Nm (18 lb ft).





4. Install the ECT sensor.





Important: All gasket-mating surfaces need to be free of oil, and foreign material. Use GM P/N 12346139 (Canadian P/N 10953463) or equivalent to clean surfaces.

5. Install the lower intake manifold gaskets.
6. With gaskets in place apply a small drop 8 - 10 mm (0.31 - 0.39 inch) of RTV Sealer, GM P/N 12346141 (Canadian P/N 10953433) or the equivalent, to the 4 corners if the intake manifold to block joint (1).
7. Connect the 2 small drops with a bead of RTV Sealer that is between 8 - 10 mm (0.31 - 0.39 inch) wide and 3.0 - 5.0 mm (0.12 - 0.20 inch) thick (2).
8. Install the valve rocker arms and pushrods.





Notice: Maximum gasket performance is achieved when using fasteners, which contain a thread locking patch. If the fasteners are not replaced, a thread locking chemical must be applied to the fastener threads. Failure to replace the fasteners or apply a thread locking chemical MAY reduce gasket sealing capability.

Important: All lower intake manifold bolts need to be cleaned, free of any foreign material, and reused only if new bolts are unavailable. Use GM P/N 12345382 (Canadian P/N 10953489) or equivalent and apply to the old intake manifold bolt threads.

Important: Manufacturer recommends the center bolts be fully torqued before the diagonal bolts to assure proper seal ability.

Important: Lower intake manifold bolts in location 6 and 7 should be torqued to specification using a crows foot type tool.

Notice: Refer to Fastener Notice in Service Precautions.

9. Install the lower intake manifold.
Install the lower intake manifold bolts.
9.1. Tighten the lower intake manifold bolts in sequence to 7 Nm (62 lb in) on the first pass.
9.2. Tighten the lower intake manifold bolts (1, 2, 3, 4) in sequence to 13 Nm (115 lb in) on the final pass.
9.3. Tighten the lower intake manifold bolts (5, 6, 7, 8) in sequence to 25 Nm (18 lb ft) on the final pass.





10. Install the thermostat bypass hose to the thermostat bypass pipe and lower intake manifold pipe.
11. Install the radiator inlet hose to the engine.





12. Install the heater inlet pipe.
13. Install the heater inlet pipe nut.
- Tighten the heater inlet pipe nut to 25 Nm (18 lb ft).
14. Install the power steering pump to the front engine cover.





Important: Do not press on the fuel pressure regulator valve when installing the fuel injector rail assembly.

15. Install the fuel injector rail assembly.
15.1. Install the fuel injector O-ring using GM P/N 12345616 (Canadian P/N 993182), or equivalent.
15.2. Install the injector nozzles into the lower intake manifold injector bores.
15.3. Press on the injector rail using the palms of both hands until the injectors are fully seated.
16. Install the fuel injector rail bolts.
- Tighten the injector rail bolts to 10 Nm (89 lb in).





17. Install the fuel feed and return pipe retaining clip.
18. Install the fuel feed and return pipe retaining clip bolt
- Tighten the fuel feed and return pipe retaining clip bolt to 8 Nm (71 lb in).





19. Install and connect the fuel injector and the MAP sensor wiring harnesses.





20. Connect the ECT sensor electrical connector.
21. Install the right valve rocker arm cover.
22. Install the left valve rocker arm cover.
23. Install the upper intake manifold.
24. Connect the negative battery cable.
25. Inspect for leaks.