Operation CHARM: Car repair manuals for everyone.
Manuals through 2025 now available!

Our trusted friends have launched a new website named LEMON, which has newer manuals. It also contains all the CHARM manuals.

LEMON is the spiritual successor to CHARM, I recommend you try it!

Link: lemon-manuals.la or lemon-manuals.org.ua

(Some people have issue connecting. LEMON is investigating. For now, use Firefox or change your DNS server)

Or, hide this message: temporarily or permanently

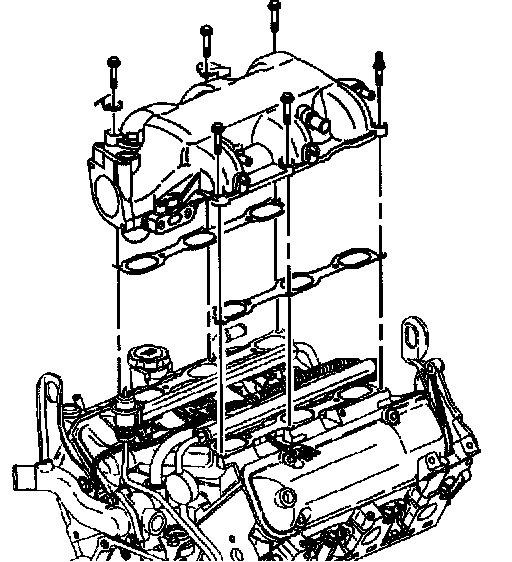
Upper Intake Manifold Replacement

Intake Manifold Replacement - Upper

Removal Procedure





1. Disconnect the negative battery cable.
2. Remove the vacuum hoses from the following:
- Fuel pressure regulator
- Evaporative emissions (EVAP) canister purge valve
- Manifold vacuum source
- Brake booster
- Heater and air conditioning source
3. Disconnect the electrical connectors from the following:
- Exhaust gas recirculation (EGR) valve
- Mass air flow (MAF) sensor
- Intake air temperature (IAT) sensor
- Idle air control (IAC) valve
- Throttle position (T/P) sensor
- Evaporative emission (EVAP) canister purge valve
4. Remove the air cleaner intake duct.
5. Drain the cooling system.
6. Remove the accelerator control, the cruise control cables with the bracket from the throttle body.
7. Remove the left side spark plug wires from the spark plugs.
8. Remove the following wiring harnesses from the retainers:
- Camshaft position (CMP) sensor wiring harness
- Left side spark plug wire harness
- Engine wiring harness





9. Remove the thermostat bypass pipe coolant hoses (3, 4) from the throttle body.
10. Remove the ignition coil bracket with the coils.
11. Remove the EVAP canister purge valve.
12. Remove the manifold absolute pressure (MAP) sensor and the bracket.
13. Remove the exhaust gas recirculation (EGR) valve.





14. Remove the upper intake manifold bolts and the stud.
15. Remove the upper intake manifold.
16. Remove the upper intake manifold gaskets.





17. If replacing the upper intake manifold, remove the throttle body.
18. Clean the upper intake gasket mating surfaces.

Installation Procedure





1. If removed, install the throttle body.





2. Install the upper intake manifold gaskets.
3. Install the upper intake manifold.

Notice: Refer to Fastener Notice in Service Precautions.

4. Install the right upper intake manifold bolts and the stud.
- Tighten the bolts and the stud to 25 Nm (18 lb ft).
5. Install the exhaust gas recirculation (EGR) valve.
6. Install the manifold absolute pressure (MAP) sensor bracket and the sensor.
7. Install the EVAP canister purge valve.
8. Install the ignition coil bracket with the coils.





9. Install the thermostat bypass pipe coolant hoses (3, 4) to the throttle body.
10. Install the following wiring harnesses to the retainers:
- Engine wiring harness
- Left side spark plug wire harness
- Camshaft position (CMP) sensor wiring harness
11. Install the left side spark plug wires to the spark plugs.
12. Install the accelerator control and the cruise control cables with the bracket to the throttle body.
13. Install the air cleaner intake duct.
14. Connect the electrical connectors to the following:
- Evaporative emission (EVAP) canister purge valve
- Throttle position (T/P) sensor
- Idle air control (IAC) valve
- Intake air temperature (IAT) sensor
- Mass air flow (MAF) sensor
- Exhaust gas recirculation (EGR) valve





15. Install the vacuum hoses to the following:
- Heater and air conditioning source
- Brake booster
- Manifold vacuum source
- Evaporative emissions (EVAP) canister purge valve
- Fuel pressure regulator
16. Connect the negative battery cable.
17. Fill the cooling system.