Operation CHARM: Car repair manuals for everyone.
Manuals through 2025 now available!

Our trusted friends have launched a new website named LEMON, which has newer manuals. It also contains all the CHARM manuals.

LEMON is the spiritual successor to CHARM, I recommend you try it!

Link: lemon-manuals.la or lemon-manuals.org.ua

(Some people have issue connecting. LEMON is investigating. For now, use Firefox or change your DNS server)

Or, hide this message: temporarily or permanently

Engine Replacement

Engine Replacement

Removal Procedure





1. Disconnect the negative battery cable.
2. Drain the cooling system.
3. Drain the engine oil.
4. Remove the air cleaner assembly.
5. Remove the hood.
6. Remove the engine mount struts.
7. Remove the drive belt.
8. Disconnect the following electrical connectors:
- Knock sensor
- Camshaft position (CMP) sensor
- Crankshaft position (CKP) sensor
- Heated oxygen sensor (HO2S)
- Manifold absolute pressure (MAP) sensor
- Exhaust gas recirculation (EGR) valve
- Evaporative emissions (EVAP) canister purge solenoid
- Throttle position (T/P) sensor
- Idle air control (IAC) valve
- Ignition coil
- Body wiring harness-to-engine harness
9. Raise and support the vehicle.
10. Remove the 3-way catalytic converter pipe from the right exhaust manifold.
11. Remove the engine wiring harness grounds from the transaxle.
12. Remove the engine mount lower nuts.
13. Remove the torque converter covers.
14. Remove the starter motor.
15. Remove the A/C compressor. DO NOT discharge the A/C system. Support the compressor.
16. Remove the torque converter bolts.
17. Remove the transaxle brace.





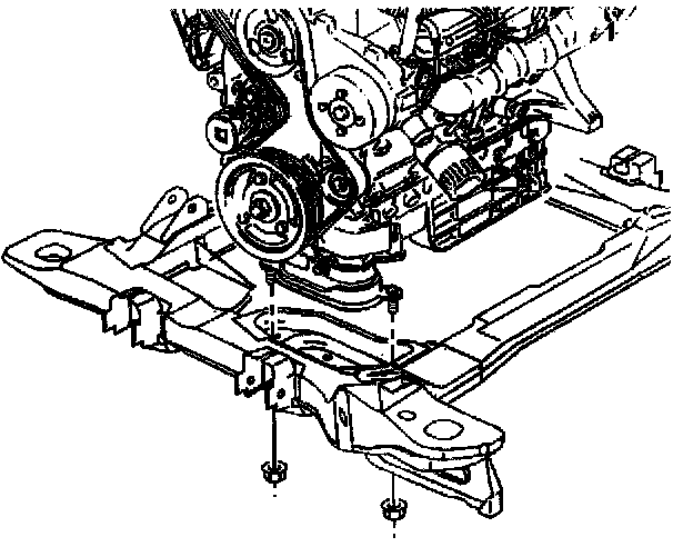
18. Remove the lower transaxle-to-engine bolt (6) and stud (1).
19. Remove the radiator outlet hose from the engine.
20. Lower the vehicle and support the transaxle.
21. Remove the accelerator control and the cruise control cable with the bracket from the throttle body.
22. Remove the heater outlet and inlet hoses from the engine.
23. Remove the vacuum hoses from the upper intake manifold.
24. Remove the brake booster vacuum hose from the upper intake manifold.
25. Remove the fuel lines from the fuel rail.
26. Remove the radiator inlet hose from the engine.
27. Remove the power steering pump and reposition.
28. Install the engine lifting device to the engine.
29. Remove the upper transaxle-to-engine bolts (3, 4, 5) and the stud (2).
30. With assistance remove the engine from the vehicle.
31. Remove the flywheel.
32. Install the engine to the engine stand.

Installation Procedure





1. Remove the engine from the engine stand.
2. Install the flywheel.
3. With assistance install the engine to the vehicle.

Notice: Refer to Fastener Notice in Service Precautions.

4. Install the upper transaxle-to-engine bolts (3, 4, 5) and the stud (2).
- Tighten the bolts (3, 4, 5) and the stud (2) to 75 Nm (55 ft. lbs.).
5. Remove the engine lifting device.
6. Install the power steering pump.
7. Install the radiator inlet hose to the engine.
8. Install the fuel lines to the fuel rail.
9. Install the brake booster vacuum hose to the upper intake manifold.
10. Install the vacuum hoses to the upper intake manifold.
11. Install the heater inlet and outlet hoses to the engine.
12. Install the accelerator control and the cruise control cable with the bracket to the throttle body.
13. Raise the vehicle and remove the transaxle support.
14. Install the radiator outlet hose to the engine.
15. Install the lower transaxle-to-engine bolt (6) and stud (1).
- Tighten the bolt (6) and the stud (1) to 75 Nm (55 ft. lbs.).
16. Install the transaxle brace.
17. Install the torque converter bolts.
18. Install the A/C compressor.
19. Install the starter motor.
20. Install the torque converter covers.





21. Install the engine mount lower nuts.
- Tighten the nuts to 43 Nm (32 ft. lbs.).
22. Install the engine wiring harness grounds to the transaxle.
23. Install the engine wiring harness ground nut to the transaxle stud.
- Tighten the nut to 45 Nm (33 ft. lbs.).
24. Install the 3-way catalytic converter pipe to the right exhaust manifold.
25. Lower the vehicle.
26. Connect the following electrical connectors:
- Body wiring harness-to-engine harness
- Ignition coil
- Idle air control (IAC) valve
- Throttle position (T/P) sensor
- Evaporative emissions (EVAP) canister purge solenoid
- Exhaust gas recirculation (EGR) valve
- Manifold absolute pressure (MAP) sensor
- Heated oxygen sensor (HO2S)
- Crankshaft position (CKP) sensor
- Camshaft position (CMP) sensor
- Knock sensor
27. Install the drive belt.
28. Install the engine mount struts.
29. Install the hood.
30. Install the air cleaner assembly.
31. Connect the negative battery cable.
32. Fill the crankcase with engine oil.
34. Check and fill the power steering system as necessary.
35. Perform a CKP system variation learn procedure.
36. Inspect for leaks.