Operation CHARM: Car repair manuals for everyone.
Manuals through 2025 now available!

Our trusted friends have launched a new website named LEMON, which has newer manuals. It also contains all the CHARM manuals.

LEMON is the spiritual successor to CHARM, I recommend you try it!

Link: lemon-manuals.la or lemon-manuals.org.ua

(Some people have issue connecting. LEMON is investigating. For now, use Firefox or change your DNS server)

Or, hide this message: temporarily or permanently

Timing Cover: Service and Repair

Engine Front Cover Replacement

Removal Procedure





1. Disconnect the negative battery cable.
2. Drain the cooling system.
3. Remove the coolant recovery reservoir.
4. Remove the drive belt tensioner.
5. Drain the engine oil.
6. Remove the oil pan.
7. Remove the crankshaft balancer.
8. Remove the power steering pump with the lines and reposition the power steering pump.
9. Remove the thermostat bypass pipe from the engine front cover.
10. Remove the radiator outlet hose from the engine front cover.
11. Remove the water pump from the engine front cover.
12. Remove the crankshaft position (CKP) sensor wiring harness bracket bolt.
13. Remove the CKP sensor wiring harness bracket.





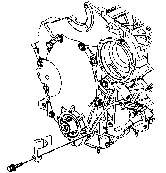
14. Remove the engine front cover bolts (1, 2 and 3).
15. Remove the engine front cover.





16. Remove the engine front cover gasket.
17. Clean and inspect the engine front cover.
18. If replacing the engine front cover, remove the drive belt shield bolt and the drive belt shield.
19. If replacing the engine front cover remove the water pump.





20. If replacing the engine front cover, remove the 24X CKP sensor.

Installation Procedure





1. If removed, install the 24X CKP sensor.
2. If removed install the water pump.

Notice: Refer to Fastener Notice in Service Precautions.

3. If removed, install the drive belt shield.
Install the drive belt shield bolt.
- Tighten the bolt to 10 Nm (89 inch lbs.).





4. Apply sealant to both sides of the engine front cover gasket with GM P/N 12346004 (Canadian P/N 10953480) or equivalent.





5. Install the engine front cover gasket.





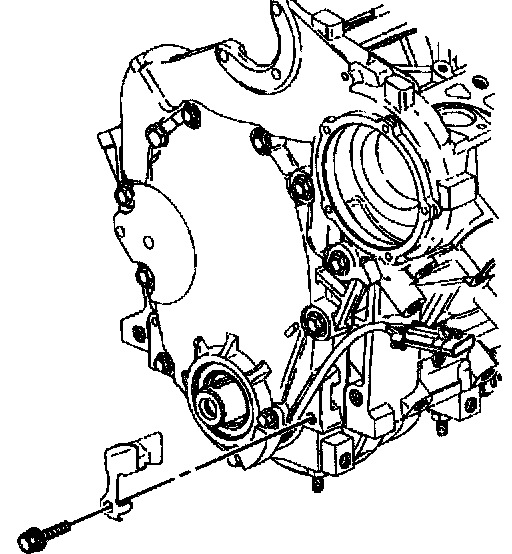
6. Install the engine front cover.
7. Install the engine front cover bolts (1, 2 and 3).
- Tighten the small engine front cover bolts (1) to 27 Nm (20 ft. lbs.).
- Tighten the large engine front cover bolts (2, 3) to 55 Nm (41 ft. lbs.).





8. Install the CKP sensor wiring harness bracket.
9. Install the crankshaft position (CKP) sensor wiring harness bracket bolt.
- Tighten the bolt to 27 Nm (20 ft. lbs.).
10. Install the radiator outlet hose to the engine front cover.
11. Install the thermostat bypass pipe to the engine front cover.
12. Install the power steering pump with the lines.
13. Install the crankshaft balancer.
14. Install the oil pan.
15. Install the drive belt tensioner.
16. Install the coolant recovery reservoir.
17. Fill the crankcase with new engine oil.
18. Fill the cooling system.
19. Connect the negative battery cable.
20. Perform the CKP system variation learn procedure.