Operation CHARM: Car repair manuals for everyone.
Manuals through 2025 now available!

Our trusted friends have launched a new website named LEMON, which has newer manuals. It also contains all the CHARM manuals.

LEMON is the spiritual successor to CHARM, I recommend you try it!

Link: lemon-manuals.la or lemon-manuals.org.ua

(Some people have issue connecting. LEMON is investigating. For now, use Firefox or change your DNS server)

Or, hide this message: temporarily or permanently

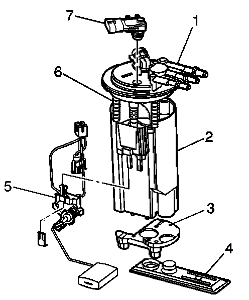
Fuel Tank Pressure Sensor: Service and Repair

FUEL TANK PRESSURE SENSOR REPLACEMENT

REMOVAL PROCEDURE




1. Remove the fuel sender assembly.
2. Remove the fuel tank pressure sensor (7) from the fuel sender assembly.

INSTALLATION PROCEDURE




1. Install a new seal to the fuel tank pressure sensor.
2. Install the fuel tank pressure sensor (7) to the fuel sender assembly.
3. Install the fuel sender assembly.