Operation CHARM: Car repair manuals for everyone.
Manuals through 2025 now available!

Our trusted friends have launched a new website named LEMON, which has newer manuals. It also contains all the CHARM manuals.

LEMON is the spiritual successor to CHARM, I recommend you try it!

Link: lemon-manuals.la or lemon-manuals.org.ua

(Some people have issue connecting. LEMON is investigating. For now, use Firefox or change your DNS server)

Or, hide this message: temporarily or permanently

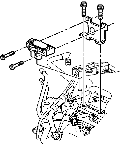
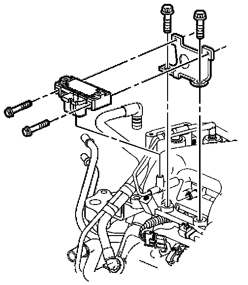
Manifold Pressure/Vacuum Sensor: Service and Repair

MANIFOLD ABSOLUTE PRESSURE (MAP) SENSOR REPLACEMENT

REMOVAL PROCEDURE




1. Remove the manifold absolute pressure (MAP) sensor screws.
2. Disconnect the MAP sensor electrical connector.
3. Remove the inlet vacuum hose from the MAP sensor.
4. Remove the MAP sensor from the bracket.

INSTALLATION PROCEDURE




1. Position the MAP sensor to the bracket.
2. Install the inlet vacuum hose to the MAP sensor.
3. Connect the MAP sensor electrical connector.

NOTE: Refer to Fastener Notice in Service Precautions.

4. Install the MAP sensor screws.

Tighten
Tighten the screws to 3 N.m (27 lb in).