Operation CHARM: Car repair manuals for everyone.
Manuals through 2025 now available!

Our trusted friends have launched a new website named LEMON, which has newer manuals. It also contains all the CHARM manuals.

LEMON is the spiritual successor to CHARM, I recommend you try it!

Link: lemon-manuals.la or lemon-manuals.org.ua

(Some people have issue connecting. LEMON is investigating. For now, use Firefox or change your DNS server)

Or, hide this message: temporarily or permanently

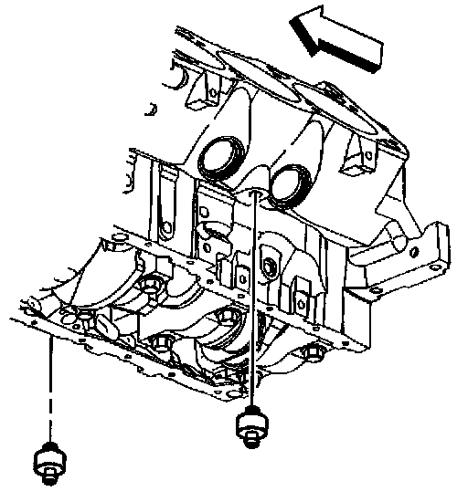
69. Engine Block Plug Installation

Engine Block Plug Installation





Notice: Refer to Fastener Notice in Service Precautions.

1. Install the threaded oil gallery plugs.
- Tighten the oil gallery plugs to 30 Nm (22 ft. lbs.).





2. Install the remaining oil gallery plugs using GM P/N 12346004 (Canadian P/N 10953480) or the equivalent.





3. Apply sealant GM P/N 12346004 (Canadian P/N 10953480) or the equivalent to the threads of the knock sensor.
4. Install the knock sensors.
- Tighten the knock sensors to 18 Nm (13 ft. lbs.).
5. Install the knock sensor heat shield and bolts, if applicable.
- Tighten the knock sensor heat shield bolts to 50 Nm (37 ft. lbs.).