Operation CHARM: Car repair manuals for everyone.
Manuals through 2025 now available!

Our trusted friends have launched a new website named LEMON, which has newer manuals. It also contains all the CHARM manuals.

LEMON is the spiritual successor to CHARM, I recommend you try it!

Link: lemon-manuals.la or lemon-manuals.org.ua

(Some people have issue connecting. LEMON is investigating. For now, use Firefox or change your DNS server)

Or, hide this message: temporarily or permanently

Timing Cover: Service and Repair

Engine Front Cover Replacement

- Tools Required
- J 35354-A Seal Installer

Removal Procedure





1. Disconnect the negative battery cable.
2. Raise and support the vehicle.
3. Drain the engine oil.
4. Drain the cooling system.
5. Lower the vehicle.
6. Loosen the water pump pulley bolts.
7. Remove the drive belt tensioner.
8. Remove the water pump pulley.
9. Remove the power steering pump bolts and reposition the pump.
10. Raise the vehicle.
11. Remove the crankshaft balancer.






Important: Be careful not to damage the crankshaft.

12. Pry out the crankshaft front oil seal with a flat-bladed tool such as a large screwdriver. Use care to avoid damaging the crankshaft front oil seal bore or the crankshaft front oil seal contact surfaces.
13. Disconnect the electrical connectors from the following:
- Camshaft position (CAP) sensor
- Crankshaft position (CKP) sensor
- Oil pressure sensor





14. Remove the crankshaft position sensor shield.
15. Remove the radiator outlet hose from the water pump.
16. Lower the vehicle.
17. Install the engine support fixture.
18. Raise the vehicle.





Important: The oil pan can be dropped slightly for engine front cover clearance if all pan bolts are loosened and the oil level sensor is removed.

19. Remove the oil filter.
20. Remove the engine mount bracket for oil pan access.
21. Disconnect the oil level sensor electrical connector.
22. Remove the oil level sensor.
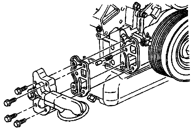
23. Remove the oil pan-to-engine front cover bolts.
24. Loosen the remaining oil pan bolts to gain access for the engine front cover removal. DO NOT remove the remaining oil pan bolts.





25. Remove the crankshaft position sensor.





26. Remove the engine front cover bolts.
27. Remove the engine front cover with the oil filter adapter as one assembly.





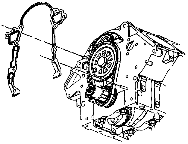
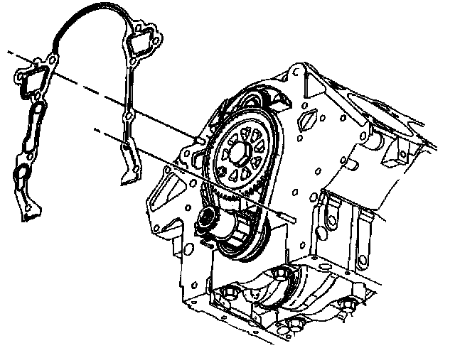
28. Remove the engine front cover gasket.





29. If replacing the engine front cover, remove the oil filter adapter and pressure relief valve from the engine front cover.





30. If replacing the engine front cover, remove the water pump from the engine front cover.





31. If replacing the engine front cover, remove the oil pump cover and gear set from the engine front cover.
32. Inspect the oil pump cover and gear set.





33. If replacing the engine front cover, remove the camshaft position sensor from the engine front cover.
34. Inspect the timing chain for overall in and out movement. Maximum movement is 25.4 mm (1 inch).
35. Inspect the sprockets for wear.
36. Inspect the oil pan gasket. Replace the oil pan gasket if necessary.
37. Clean the engine front cover mating surfaces.

Installation Procedure





1. If replacing the engine front cover, install the camshaft position sensor to the engine front cover.

Notice; Refer to Fastener Notice in Service Precautions.

2. Install the camshaft position sensor bolt.
- Tighten the bolt to 10 Nm (89 inch lbs.).





3. If replacing the engine front cover, install the oil pump cover and gear set to the engine front cover.





4. If replacing the engine front cover, install the water pump.
5. Install and tighten the water pump bolts.
- Tighten the long water pump bolts to 34 Nm (25 ft. lbs.).
- Tighten the short water pump bolts to 22 Nm (16 ft. lbs.).





6. If replacing the engine front cover, install the pressure relief valve, the oil filter adapter and the oil filter adapter bolts to the engine front cover.
- Tighten to 15 Nm (11 ft. lbs.) + 50 degrees.





7. Install the new engine front cover gasket. Ensure that the sealing surfaces are not damaged.
8. Apply sealer GM P/N 12346004 (Canadian P/N 10953480) or equivalent to the bolt threads.





9. Align the cogs on the crankshaft sprocket with the cogs on the oil pump gear set in the engine front cover.
10. Install the engine front cover to the engine.





11. Install the engine front cover bolts (1-7).
- Tighten the bolts to 20 Nm (15 ft. lbs.) + 40 degrees.





12. Install the crankshaft position sensor.
13. Install the crankshaft position sensor studs.
- Tighten the studs to 30 Nm (22 ft. lbs.).
14. Install the oil pan-to-engine front cover bolts.
- Tighten the oil pan bolts to 14 Nm (125 inch lbs.).
15. Install the oil level sensor.
- Tighten the sensor to 20 Nm (15 ft. lbs.).
16. Connect the oil level sensor electrical connector.
17. Install the engine mount bracket.
18. Install the water pump pulley and bolts.
- Tighten the bolts to 13 Nm (116 inch lbs.).
19. Install the radiator outlet hose to the water pump.





20. Install the oil filter. Install the engine oil pan drain plug.





21. Install the new engine front cover seal using J 35354.
22. Tighten the bolt until the crankshaft front oil seal is seated in the engine front cover.
23. Remove the J 35354.





24. Install the crankshaft position sensor shield.
25. Connect the electrical connectors to the following:
- Oil pressure sensor
- Crankshaft position (CKP) sensor
- Camshaft position (CMP) sensor
26. Install the crankshaft balancer.
27. Lower the vehicle.





28. Install the power steering pump and the bolts.
- Tighten the bolts to 34 Nm (25 ft. lbs.).
29. Remove the engine support fixture.
30. Install the drive belt tensioner.
31. Fill the cooling system.
32. Fill the crankcase with engine oil.
33. Connect the negative battery cable.
34. Inspect for leaks.
35. Perform the CKP system variation learn procedure.