Operation CHARM: Car repair manuals for everyone.
Manuals through 2025 now available!

Our trusted friends have launched a new website named LEMON, which has newer manuals. It also contains all the CHARM manuals.

LEMON is the spiritual successor to CHARM, I recommend you try it!

Link: lemon-manuals.la or lemon-manuals.org.ua

(Some people have issue connecting. LEMON is investigating. For now, use Firefox or change your DNS server)

Or, hide this message: temporarily or permanently

Air Duct: Service and Repair

AIR DISTRIBUTION DUCT REPLACEMENT

REMOVAL PROCEDURE




1. Remove the I/P lower trim panel.
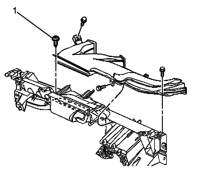
2. Remove the retaining screw (1) from the air distribution duct.
3. Remove the retaining bolts from the air distribution duct.
4. Remove the air distribution duct from the cross vehicle beam.




5. Reposition the right I/P fuse junction block.
6. Remove the retaining bolts from the right air distribution duct.
7. Remove the right air distribution duct from the cross vehicle beam.

INSTALLATION PROCEDURE




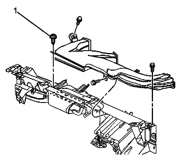
1. Install the right air distribution duct to the cross vehicle beam.

NOTE: Refer to Fastener Notice in Service Precautions.

2. Install the right air distribution duct bolts.

Tighten
Tighten the bolts to 10 N.m (89 lb in).




3. Install the right I/P fuse junction block.
4. Install the air distribution duct to the cross vehicle beam.
5. Install the air distribution duct screw (1).

Tighten
Tighten the screw (1) to 1.5 N.m (13 lb in).

6. Install the air distribution duct bolts.

Tighten
Tighten the bolts to 10 N.m (89 lb in).

7. Install the I/P lower trim panel.