Operation CHARM: Car repair manuals for everyone.
Manuals through 2025 now available!

Our trusted friends have launched a new website named LEMON, which has newer manuals. It also contains all the CHARM manuals.

LEMON is the spiritual successor to CHARM, I recommend you try it!

Link: lemon-manuals.la or lemon-manuals.org.ua

(Some people have issue connecting. LEMON is investigating. For now, use Firefox or change your DNS server)

Or, hide this message: temporarily or permanently

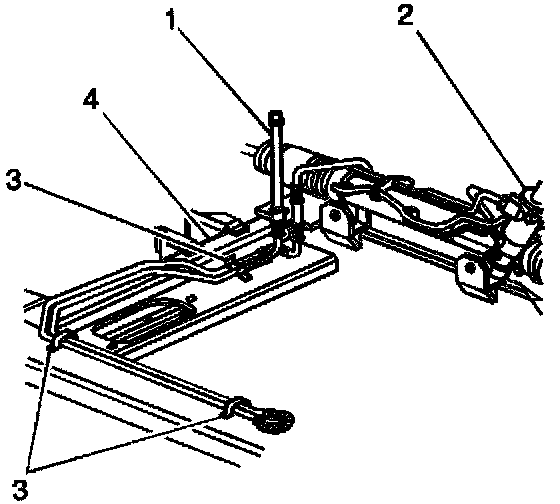
Return Hose

Power Steering Return Hose Replacement (3.8L)

Removal Procedure





1. Raise and support the vehicle. Refer to Vehicle Lifting.
2. Remove the tire and wheel assembly.
3. Remove the power steering return hose (2) from the power steering gear (1).
4. Remove the return hose (2) from the clips on the power steering gear.





5. Remove the return hose (1) from the power steering pump.
6. Remove the return hose (1) from the hose retainers (3) on the cradle (4).
7. Disconnect the clips and the electrical harnesses from the return hose (1).
8. Remove the return hose (1) from the vehicle.

Installation Procedure





1. Install the return hose (1) to the vehicle.
2. Connect the clips and the electrical harnesses to the return hose (1).
3. Install the return hose (1) to the hose retainers (3) on the cradle (4).
4. Install the return hose (1) to the power steering pump.





5. Install the return hose (2) to the clips on the power steering gear.

Notice: Refer to Fastener Notice in Service Precautions.

6. Install the return hose (1) to the power steering gear (1).
^ Tighten the fitting to 27 Nm (20 ft. lbs.).
7. Install the tire and wheel assembly.
8. Lower the vehicle.
9. Fill the power steering fluid reservoir.
10. Bleed the power steering system.
11. Inspect the power steering system for leaks.