Operation CHARM: Car repair manuals for everyone.
Manuals through 2025 now available!

Our trusted friends have launched a new website named LEMON, which has newer manuals. It also contains all the CHARM manuals.

LEMON is the spiritual successor to CHARM, I recommend you try it!

Link: lemon-manuals.la or lemon-manuals.org.ua

(Some people have issue connecting. LEMON is investigating. For now, use Firefox or change your DNS server)

Or, hide this message: temporarily or permanently

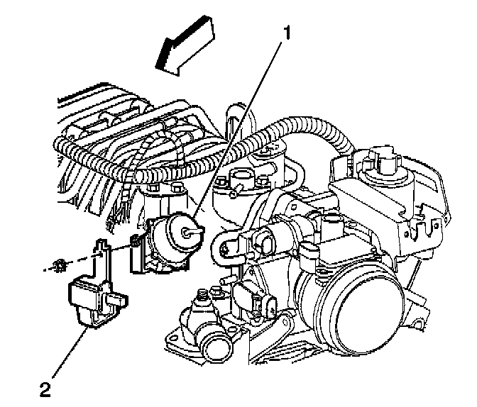
EGR Boost Control Solenoid: Service and Repair

BOOST CONTROL SOLENOID REPLACEMENT

REMOVAL PROCEDURE




1. Remove the fuel injector sight shield.
2. Disconnect the boost source and signal hoses from the boost control solenoid (2).
3. Disconnect the boost control solenoid electrical connector.
4. Remove the boost control solenoid nut.
5. Remove the boost control solenoid (2).

INSTALLATION PROCEDURE




1. Install the boost control solenoid (2).

NOTE: Refer to Fastener Notice in Service Precautions.

2. Install the boost control solenoid nut.

Tighten
Tighten the nut to 8 N.m (71 lb in).

3. Connect the boost control solenoid electrical connector.
4. Connect the boost source and signal hoses to the boost control solenoid (2).
5. Install the fuel injector sight shield.