Operation CHARM: Car repair manuals for everyone.
Manuals through 2025 now available!

Our trusted friends have launched a new website named LEMON, which has newer manuals. It also contains all the CHARM manuals.

LEMON is the spiritual successor to CHARM, I recommend you try it!

Link: lemon-manuals.la or lemon-manuals.org.ua

(Some people have issue connecting. LEMON is investigating. For now, use Firefox or change your DNS server)

Or, hide this message: temporarily or permanently

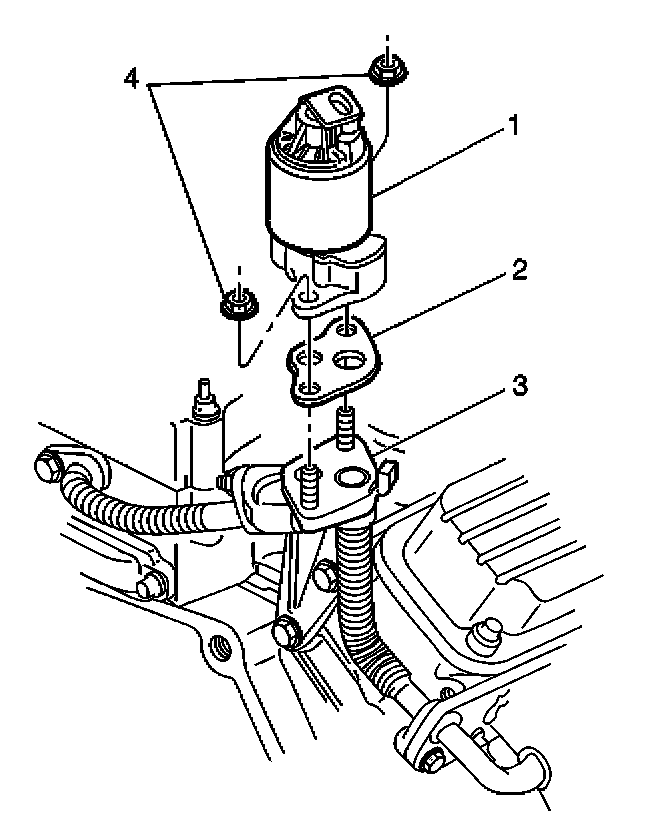
EGR Valve: Service and Repair

EXHAUST GAS RECIRCULATION (EGR) VALVE REPLACEMENT

REMOVAL PROCEDURE




1. Disconnect the exhaust gas recirculation (EGR) valve electrical connector.
2. Remove the EGR valve nuts (4).
3. Remove the EGR valve (1).
4. Remove the gasket (2) from the EGR valve adapter.
5. Clean the EGR valve gasket mating surfaces.

INSTALLATION PROCEDURE




1. Install a new EGR valve gasket (2).
2. Install the EGR valve (1).

NOTE: Refer to Fastener Notice in Service Precautions.

3. Install the EGR valve nuts (4).

Tighten
Tighten the nuts to 30 N.m (22 lb ft).

4. Connect the EGR valve electrical connector.