Operation CHARM: Car repair manuals for everyone.
Manuals through 2025 now available!

Our trusted friends have launched a new website named LEMON, which has newer manuals. It also contains all the CHARM manuals.

LEMON is the spiritual successor to CHARM, I recommend you try it!

Link: lemon-manuals.la or lemon-manuals.org.ua

(Some people have issue connecting. LEMON is investigating. For now, use Firefox or change your DNS server)

Or, hide this message: temporarily or permanently

Mode Valve Assembly Replacement

MODE VALVE ASSEMBLY REPLACEMENT

REMOVAL PROCEDURE

CAUTION: Refer to Battery Disconnect Caution in Service Precautions.

1. Disconnect the battery negative cable.
2. Remove the I/P lower trim panel.
3. Remove the bolts from the left side fuse block to cross vehicle beam.
4. Disconnect the left side fuse block wire harness from the cross vehicle beam.
5. Position the left side fuse block aside.
6. Disconnect the wire harness connectors from the body control module.
7. Disconnect the body control module from the cross vehicle beam.
8. Remove the body control module from the vehicle.
9. Remove the bolts from the right side fuse block to cross vehicle beam.
10. Disconnect the right side fuse block wire harness from the cross vehicle beam.




11. Position the right side fuse block aside.
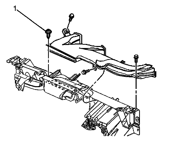
12. Remove the retaining screw (1) from the panel air duct.
13. Remove the bolts from the panel air duct.




14. Remove the panel air duct from the cross vehicle beam.
15. Remove the retaining bolts from the right air duct.
16. Remove the right air duct from the cross vehicle beam.
17. Disconnect any ground wires, as necessary.
18. Remove the brake pedal.
19. Remove the 3 bolts from the brake pedal bracket to cross vehicle beam.
20. Disconnect the electrical connector from the HVAC module assembly to main wire harness connector.




21. Release the wiring harness retaining clips from the cross vehicle beam and position the wiring harness aside.




22. Remove the bolts from the HVAC module assembly upper support.
23. Remove the bolts (1) from the HVAC module assembly lower support.




24. Remove the bolt (2) from the HVAC module assembly lower support.




25. Remove the bolts from the right and left side of the cross vehicle beam.




26. Remove the cross vehicle beam.




27. Remove the two rearward retaining screws (1) from the recirculation housing.
28. Remove the retaining screws from the mode valve assembly.
29. Remove the heat stakes from the mode valve assembly using a small chisel.
30. Remove the screws from the mode actuator.
31. Remove the mode actuator.

IMPORTANT: The right front edge of the mode valve assembly is under the recirculation housing.

32. Slowly lift the rearward side of the mode valve assembly up and to the left to remove the mode valve assembly.

INSTALLATION PROCEDURE
1. From the inside of the mode valve assembly, drill the dimples adjacent to the heat stakes using a 5.5 mm (7/32 in) drill bit.

IMPORTANT: Install the right front edge of the mode valve assembly under the recirculation housing.




2. Install the mode valve assembly to the HVAC module assembly.




3. Install the two rearward retaining screws (1) to the recirculation housing.
4. Install new screws in the locations adjacent to the heat stakes that were removed from the mode valve assembly.
5. Install the screws that were removed from the mode valve assembly to there original position.

NOTE: Refer to Fastener Notice in Service Precautions.

6. Tighten the recirculation housing, mode valve assembly and heat stake screws.

Tighten
Tighten all screws to 1.5 N.m (13 lb in).

7. Install the mode actuator.




8. Install the screws to the mode actuator.

Tighten
Tighten the screws to 1.5 N.m (13 lb in).




9. Install the cross vehicle beam to the vehicle.
10. Install the bolts to the right and left side of the cross vehicle beam.




11. Tighten the bolts to the right and left side of the cross vehicle beam in sequence.

Tighten
Tighten the bolts to 25 N.m (18 lb ft).




12. Install the bolts to the HVAC module assembly upper support.

Tighten
Tighten the bolts to 4 N.m (35 lb in).

13. Install the bolt (1) to the HVAC module assembly lower support.

Tighten
Tighten the bolt to 4 N.m (35 lb in).

14. Install the bolt (2) to the HVAC module assembly lower support.

Tighten
Tighten the bolt to 4 N.m (35 lb in).

15. Reposition the I/P wiring harness to the cross vehicle beam and secure the retaining clips.
16. Install the 3 bolts through the brake pedal bracket to the cross vehicle beam.

Tighten
Tighten the bolts to 50 N.m (37 lb ft).

17. Install the brake pedal.
18. Connect all disconnected ground wires.
19. Connect the electrical connector from the HVAC module assembly to main wire harness connector.
20. Install the body control module to the cross vehicle beam.
21. Connect the wire harness connectors to the body control module.
22. Install the left side fuse block to the cross vehicle beam.
23. Install the bolts to the left side fuse block.

Tighten
Tighten the bolts to 10 N.m (89 in lb).

24. Install the right side fuse block to the cross vehicle beam.




25. Install the bolt to the right side fuse block.

Tighten
Tighten the bolt to 10 N.m (89 in lb).

26. Install the right air duct to the cross vehicle beam.




27. Install the right air duct bolts.

Tighten
Tighten the bolts to 10 N.m (89 lb in).

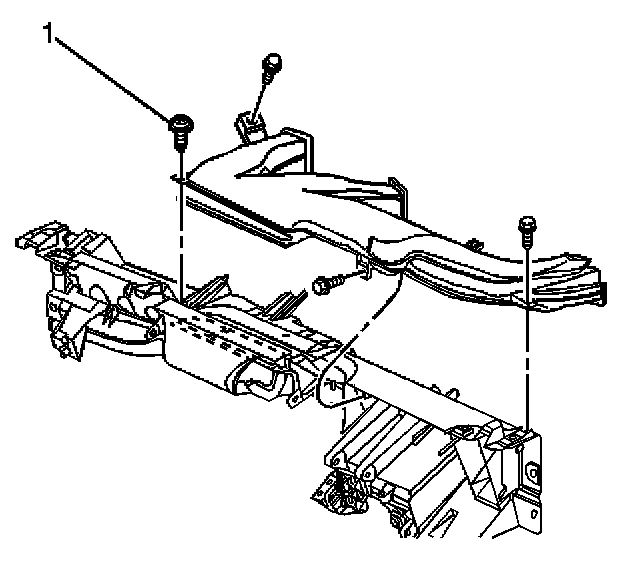
28. Install the panel air duct to the cross vehicle beam.
29. Install the panel air duct screw (1).

Tighten
Tighten the bolts to 1.8 N.m (16 lb in).

30. Install the panel air duct bolts.

Tighten
Tighten the bolts to 10 N.m (89 lb in).

31. Install the I/P lower trim panel.

IMPORTANT: Do not adjust any controls on the HVAC control module while the HVAC control module is calibrating. If interrupted improper HVAC performance will result.

32. Connect the battery negative cable.