Operation CHARM: Car repair manuals for everyone.
Manuals through 2025 now available!

Our trusted friends have launched a new website named LEMON, which has newer manuals. It also contains all the CHARM manuals.

LEMON is the spiritual successor to CHARM, I recommend you try it!

Link: lemon-manuals.la or lemon-manuals.org.ua

(Some people have issue connecting. LEMON is investigating. For now, use Firefox or change your DNS server)

Or, hide this message: temporarily or permanently

Cruise Control Servo Cable: Service and Repair

CRUISE CONTROL CABLE REPLACEMENT

REMOVAL PROCEDURE

IMPORTANT: The cruise control cable does not require mechanical adjusting after the replacement. The cruise control module internally adjusts the cable. Refer to Cruise Control Description and Operation for the complete operational details.




1. Open the hood.

NOTE: Do not remove the C-clip from the cruise control connector. The C-clip was not designed for removal. Damage may occur when removing.




2. Do not remove the adjuster screw from the end of the cruise control cable. No adjustment will be needed.




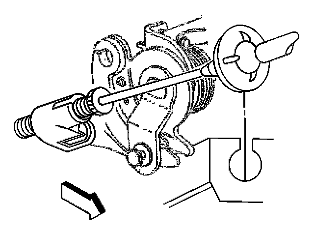
3. Remove the cruise control cable from the throttle linkage.

Use a suitable tool to lightly pry off the end of the cruise control cable from the stud on the throttle lever.




4. Disconnect the cruise control cable from the round hole in the engine cable bracket.




5. Disconnect the cruise control cable locator clip from the rectangular hole in the routing bracket.




6. Remove the cruise control cable from the cruise control module housing.
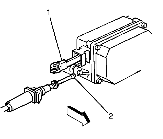
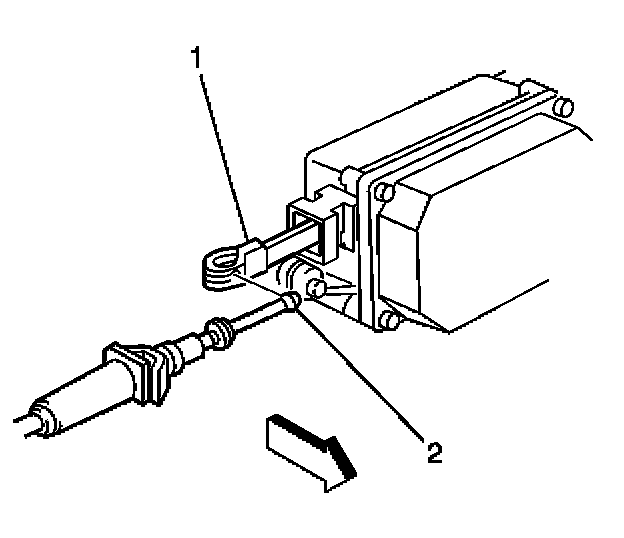
7. Disconnect the cruise control cable bead (2) from the end of the ribbon (1).

IMPORTANT: Do not allow the cruise control ribbon (1) to retract into the module assembly.

8. Remove the cruise control cable from the vehicle.

INSTALLATION PROCEDURE
1. Install the cruise control cable to the vehicle.




2. Remove all bends and twists from the cruise control module ribbon and cable, by rotating until removed.




3. Attach the cruise control cable bead (2) to the cruise control module ribbon (1).

IMPORTANT:
- Do not twist the cruise control module ribbon (1).
- Pull the cruise control cable (2) to verify retention to the ribbon (1).




1. Check the orientation of the cruise control ribbon buckle to the cable end fitting.




2. Slide the cruise control cable conduit over the ribbon.
2.1. Install the tangs to the cruise control module housing.
2.2. Ensure that the tangs snap securely into place.




3. Snap the cruise control cable engine-end fitting (2) over the stud (1) on the throttle cam lever.




4. Connect the cruise control cable conduit fitting to the round hole in the engine cable bracket.

Ensure that the tabs snap securely into the hole.




5. Connect the cruise control cable locator clip to the rectangular hole in the routing bracket.
5.1. Route the cruise control cable above the accelerator cable.
5.2. Ensure that the clip snaps securely into place.




6. Connect the electrical connection to the cruise control servo module.
7. Test the systems operation.
8. Perform the Cruise Control System Functional Test.
9. Close hood.