Operation CHARM: Car repair manuals for everyone.
Manuals through 2025 now available!

Our trusted friends have launched a new website named LEMON, which has newer manuals. It also contains all the CHARM manuals.

LEMON is the spiritual successor to CHARM, I recommend you try it!

Link: lemon-manuals.la or lemon-manuals.org.ua

(Some people have issue connecting. LEMON is investigating. For now, use Firefox or change your DNS server)

Or, hide this message: temporarily or permanently

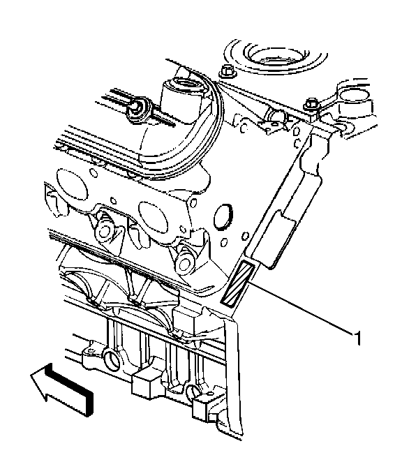
Engine ID and VIN Derivative Location

ENGINE ID AND VIN DERIVATIVE LOCATION




The vehicle identification number (VIN) is located on the left side rear of the engine block (1) and is typically a nine digit number stamped or laser-etched onto the engine at the vehicle assembly plant.
- The first digit identifies the division.
- The second digit identifies the model year.
- The third digit identifies the assembly plant.
- The fourth through ninth digits are the last six digits of the VIN.