Operation CHARM: Car repair manuals for everyone.
Manuals through 2025 now available!

Our trusted friends have launched a new website named LEMON, which has newer manuals. It also contains all the CHARM manuals.

LEMON is the spiritual successor to CHARM, I recommend you try it!

Link: lemon-manuals.la or lemon-manuals.org.ua

(Some people have issue connecting. LEMON is investigating. For now, use Firefox or change your DNS server)

Or, hide this message: temporarily or permanently

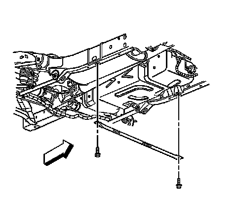
Frame Brace Replacement



Frame Brace Replacement

Removal Procedure





1. Raise and support the vehicle. Refer to Lifting and Jacking the Vehicle in General Information.
2. Remove the mounting bolts from the frame brace.
3. Remove the frame brace from the frame.



Installation Procedure






Notice: Refer to Fastener Notice in Cautions and Notices.

1. Install the frame brace to the frame using the mounting bolt.

Tighten the bolts to 50 N.m (37 lb ft).

2. Lower the vehicle.