Operation CHARM: Car repair manuals for everyone.
Manuals through 2025 now available!

Our trusted friends have launched a new website named LEMON, which has newer manuals. It also contains all the CHARM manuals.

LEMON is the spiritual successor to CHARM, I recommend you try it!

Link: lemon-manuals.la or lemon-manuals.org.ua

(Some people have issue connecting. LEMON is investigating. For now, use Firefox or change your DNS server)

Or, hide this message: temporarily or permanently

Removal and Replacement

Engine Replacement

^ Tools Required
- J 41798 Engine Lift Bracket

Removal Procedure
1. Raise the vehicle. Refer to Vehicle Lifting.
2. Disconnect the negative battery cable.
3. Drain the engine oil.
4. Lower the vehicle.
5. Remove the hood.
6. Evacuate the air conditioning system.
7. Remove the air cleaner housing assembly,
8. Remove the engine sight shield.
9. Drain the cooling system.
10. Remove the upper tie bar.





11. Remove the upper radiator hose from the water pump outlet.





12. Remove the lower radiator hose from the thermostat housing.
13. Disconnect the electrical from the cooling fan assembly.
14. Remove the surge tank hose from the radiator.
15. Remove the transmission cooler lines from the radiator.





16. Remove the bolt (1) retaining the A/C compressor line to the condenser (2).





17. Remove the nut (1) retaining A/C Compress-or line by TXV.
18. Remove the condenser/fan/radiator module assembly.
19. Remove the brake booster vacuum hose from booster.





20. Disconnect the electrical connection from left ignition coil assembly (2).





21. Perform the following steps in order to disconnect the left side fuel injector electrical connectors.
21.1. Mark the connectors to their corresponding injectors to ensure correct reassembly.
21.2. Pull the Connector Position Assurance (CPA) retainer (2) on the connector up 1 click.
21.3. Push the tab (1) on the connector in.
21.4. Disconnect the fuel injector electrical connector.
21.5. Repeat the steps for each injector electrical connector.





22. Remove the nut (2) retaining wiring harness to the intake.
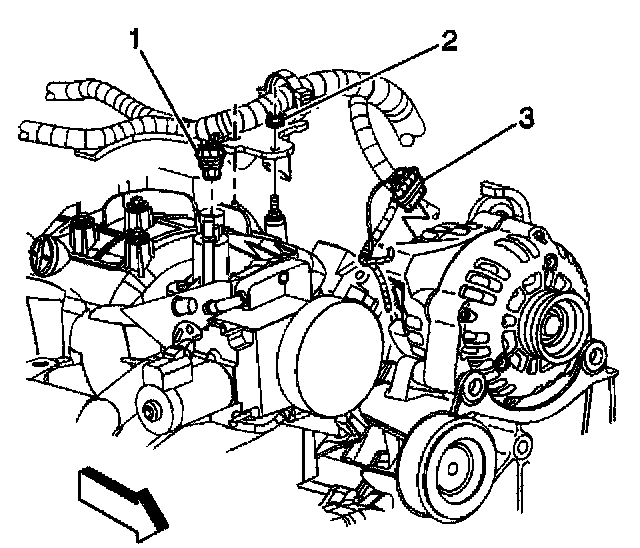
23. Disconnect the purge solenoid electrical connector (1).
24. Disconnect the generator electrical connector (3).





25. Disconnect the generator power lead from generator.





26. Disconnect the Manifold Absolute Pressure (MAP) sensor (1).
27. Disconnect the knock sensor (2) electrical connector.





28. Disconnect the Engine Coolant Temperature Sensor (ECT) (1) and ground wire (3) to block.





29. Perform the following steps in order to disconnect the right side fuel injector electrical connectors.
29.1. Mark the connectors to their corresponding injectors to ensure correct reassembly.
29.2. Pull the Connector Position Assurance (CPA) retainer (2) on the connector up 1 click.
29.3. Push the tab (1) on the connector in.
29.4. Disconnect the fuel injector electrical connector.
29.5. Repeat the steps for each injector electrical connector.





30. Disconnect the Electronic Throttle Control (ETC) electrical connection (3).
31. Disconnect the electrical from the right side ignition coil assembly (1).
32. Disconnect the electrical from the A/C low pressure cut-off switch.





33. Disconnect the fuel feed and return pipes (1) from the fuel rail.
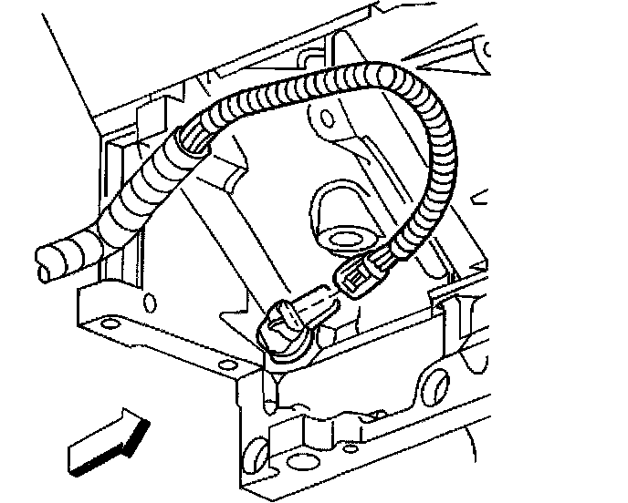
34. Reposition the upper engine wiring harness aside.





35. Reposition the clamp and remove the coolant hose from the throttle body.
36. Remove the surge tank coolant hose from throttle body.
37. Remove the inlet and outlet heater hoses from the thermostat housing.
38. Remove the heater hoses from the heater core.
39. Remove the surge tank assembly from the vehicle.
40. Remove the intake assembly.





41. Disconnect the electrical connectors from the oil pressure sensor (1) and the Camshaft Position (CMP) sensor (2).
42. Remove the compressor hose assembly.
43. Remove the nut retaining engine ground to the frame and remove the ground wire.
44. Remove the PCM and the mounting bracket.
45. Remove the accessory drive belt.
46. Remove the power steering pump from the bracket and set aside.
47. Raise the vehicle.





48. Remove the bolts (3, 4) and the ground wires (1, 2) from the block.





49. Remove the left side flywheel cover.
50. Remove the wiring harness from the wire looms on the front of the oil pan.
51. Disconnect the oil level sensor.





52. Disconnect the electrical from the A/C compressor.





53. Remove the right side flywheel shield.
54. Remove the starter.





55. Disconnect the Crankshaft Position (CKP) sensor.
56. Remove the transmission assembly.
57. Remove the wire harness from the wire loom on the rear of the engine.





58. Remove the left lower motor mount retaining nuts.
59. Lower the vehicle.





60. Remove the coil assemblies from the rocker arm covers.
61. Disconnect the EVAP purge solenoid.
62. Install the J 41798 to the engine.





63. Remove the right side shock assembly.
64. Remove the frame motor mount bolts.
65. Install the engine hoist to the engine.
66. Remove the engine from the vehicle.
67. Install the engine to the stand.

Installation Procedure





1. Remove the engine from the stand.
2. Install the engine to the vehicle.
3. Remove the engine hoist from the engine.

Notice: Refer to Fastener Notice in Service Precautions.

4. Install the frame motor mount bolts.
^ Tighten the bolts to 100 Nm (74 ft. lbs.).
5. Install the right side shock assembly.
6. Remove the J 41798 from the engine.
7. Connect the EVAP purge solenoid.





8. Install the coil assemblies to the rocker arm covers.





9. Raise the vehicle.
10. Install the left lower motor mount retaining nuts.
^ Tighten nuts to 50 Nm (37 ft. lbs.).





11. Install wire harness to wire loom on rear of engine.
12. Install transmission assembly.
13. Connect crankshaft position (CKP) sensor.





14. Install the starter.
15. Install the right side flywheel shield.
^ Tighten bolt to 10 Nm (89 inch lbs.).





16. Connect the electrical to the A/C compressor.





17. Connect the oil level sensor.
18. Install the wiring harness to the wire looms on the front of the oil pan.
19. Install the left side flywheel cover.
^ Tighten the bolt to 10 Nm (89 inch lbs.).





20. Install the bolts (3, 4) and the ground wires (1, 2) to the block.
^ Tighten the bolts to 16 Nm (12 ft. lbs.).





21. Raise the vehicle.
22. Install the power steering pump to bracket.
23. Install the accessory drive belt.
24. Install the PCM mounting bracket and the PCM.
25. Install the nut to retain the engine ground to the frame.
^ Tighten the nut to 25 Nm (18 ft. lbs.).
26. Install the compressor hose assembly.
27. Connect the electrical connectors to the oil pressure sensor (1) and the Camshaft Position (CMP) sensor (2).





28. Install the intake assembly.
29. Install the surge tank assembly to vehicle.
30. Install the heater hoses to heater core.
31. Install the inlet and outlet heater hoses to the thermostat housing.
32. Install the surge tank coolant hose to the throttle body,
33. Install the coolant hose to the throttle body.





34. Position the upper engine wiring harness.
35. Connect the fuel feed and return pipes (1) to the fuel rail.





36. Connect the electrical to the A/C low pressure cut-off switch.
37. Connect the electrical to the right side ignition coil assembly (1).
38. Connect the ETC electrical connection (3).
39. Connect the right side fuel injector electrical connectors.
40. Connect the ECT sensor (1) and the ground wire (3) to the block.





41. Connect the knock sensor (2) electrical connector.
42. Connect the MAP sensor (1).





43. Connect the generator power lead to the generator.
^ Tighten the bolt to 9 Nm (80 inch lbs.).





44. Install the nut (2) retaining the wiring harness to the intake.
^ Tighten the nut to 10 Nm (89 inch lbs.).
45. Connect the purge solenoid electrical connector (1).
46. Connect the generator electrical connector (3).
47. Connect the left side fuel injector electrical connectors.





48. Connect the- electrical connection to the left ignition coil assembly (2).





49. Install the brake booster vacuum hose to the booster.
50. Install the condenser/fan/radiator module assembly.





51. Install the nut (1) retaining the A/C compressor line (2) by TXV.
^ Tighten the nut to 20 Nm (15 ft. lbs.).





52. Install the bolt (1) retaining the A/C compressor line to the condenser (2).
^ Tighten the bolt to 16 Nm (12 ft. lbs.).
53. Install the transmission cooler lines to the radiator.
54. Install the surge tank hose to the radiator.
55. Connect the electrical to the cooling fan assembly.
56. Install the lower radiator hose to the thermostat housing.





57. Install the upper radiator hose to the water pump outlet.
58. Install the upper tie bar.
59. Fill the cooling system.
60. Fill the engine oil.
61. Install the hood.
62. Recharge the air conditioning system.
63. Install the air cleaner housing assembly.
64. Install the engine sight shield.
65. Raise the vehicle.
66. Connect the negative battery cable.
67. Lower the vehicle. Refer to Vehicle Lifting.