Operation CHARM: Car repair manuals for everyone.
Manuals through 2025 now available!

Our trusted friends have launched a new website named LEMON, which has newer manuals. It also contains all the CHARM manuals.

LEMON is the spiritual successor to CHARM, I recommend you try it!

Link: lemon-manuals.la or lemon-manuals.org.ua

(Some people have issue connecting. LEMON is investigating. For now, use Firefox or change your DNS server)

Or, hide this message: temporarily or permanently

Timing Cover: Service and Repair

Engine Front Cover Replacement

^ Tools Required
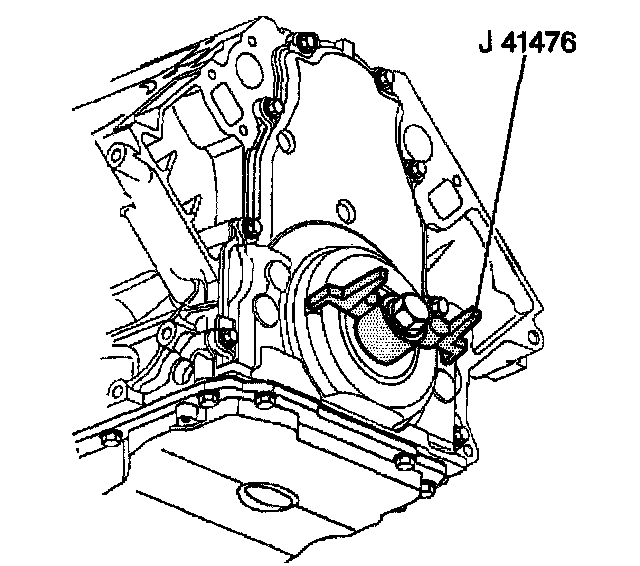
- J 41476 Front and Rear Cover Alignment (at crankshaft seal area)

Removal Procedure





1. Remove the water pump.
2. Remove the crankshaft balancer.
3. Remove the oil pan-to-front cover bolts.
4. Remove the front cover bolts.
5. Remove the front cover and gasket.
6. Discard the front cover gasket.
7. Clean and inspect the engine front cover.

Installation Procedure

Important:
^ Do not reuse the crankshaft oil seal or front cover gasket.
^ Do not apply any type of sealant to the front cover gasket (unless specified).
^ The special tool in this procedure is used to properly center the front crankshaft front oil seal.
^ All gasket surfaces should be free of oil or other foreign material during assembly.
^ The crankshaft front oil seal MUST be centered in relation to the crankshaft.
^ An improperly aligned front cover may cause premature front oil seal wear and/or engine oil leaks.





1. Apply a 5 mm (0.20 inch) bead of sealant GM P/N 12378190, or equivalent 20 mm (0.80 inch) long to the oil pan to engine block junction.
2. Install the front cover gasket and cover.
3. Install the front cover bolts until snug. Do not overtighten.
4. Install the oil pan-to-front cover bolts until snug. Do not over tighten.





5. Install J 41476 to the front cover.
6. Align the tapered legs of the J 41476 with the machined alignment surfaces on the front cover.

Notice: Refer to Fastener Notice in Service Precautions.

7. Install the crankshaft balancer bolt until snug. Do not overtighten.
7.1. Tighten the oil pan to front cover bolts to 25 Nm (18 ft. lbs.).
7.2. Tighten the engine front cover bolts to 25 Nm (18 ft. lbs.).
8. Remove the J 41476.
9. Install a NEW crankshaft front oil seal.
10. Install the water pump.