Operation CHARM: Car repair manuals for everyone.
Manuals through 2025 now available!

Our trusted friends have launched a new website named LEMON, which has newer manuals. It also contains all the CHARM manuals.

LEMON is the spiritual successor to CHARM, I recommend you try it!

Link: lemon-manuals.la or lemon-manuals.org.ua

(Some people have issue connecting. LEMON is investigating. For now, use Firefox or change your DNS server)

Or, hide this message: temporarily or permanently

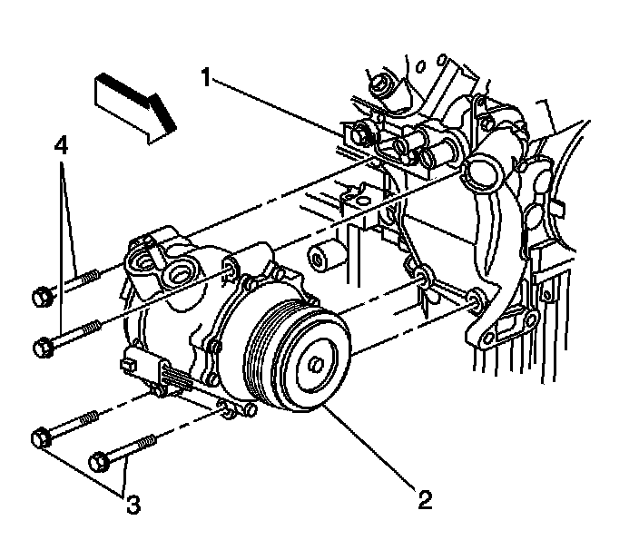
Compressor Replacement

COMPRESSOR REPLACEMENT

TOOLS REQUIRED
J 39400-A Halogen Leak Detector

REMOVAL PROCEDURE
1. Recover the refrigerant. Refer to Refrigerant Recovery and Recharging.
2. Remove the air cleaner assembly.
3. Release the tension on the air conditioning drive belt.
4. Reposition the air conditioning drive belt from the compressor pulley.
5. Remove the lower coolant hose.




6. Remove the upper A/C compressor mounting bracket bolts (1).
7. Raise the vehicle. Refer to Vehicle Lifting.
8. Remove the electrical connection from the compressor.
9. Remove the lower A/C compressor mounting bolts (3).
10. Lower the vehicle. Refer to Vehicle Lifting.
11. Remove the upper A/C compressor mounting bolts. (4). Access the bolts through the fender well.
12. Remove the A/C compressor from the bracket.
13. Remove the compressor.
14. If replacing the A/C compressor. Refer to Compressor Oil Balancing.

INSTALLATION PROCEDURE
1. Install the A/C compressor.
2. Install the A/C compressor to the bracket.




3. Align the bracket with the upper A/C compressor mounting bolts (4) before tightening the A/C compressor (2) to the bracket.

NOTE: Refer to Fastener Notice in Service Precautions.

4. Tighten the upper rear compressor mounting bolt.

Tighten
Tighten the bolt to 50 N.m (37 lb ft).

5. Raise the vehicle. Refer to Vehicle Lifting.
6. Install the lower A/C compressor mounting bolts (3).

Tighten
Tighten the bolts to 50 N.m (37 lb ft).

7. Connect the electrical connector to the A/C compressor.
8. Lower the vehicle. Refer to Vehicle Lifting.
9. Install the upper A/C compressor mounting bolts (1).

Tighten
Tighten the bolts to 50 N.m (37 lb ft).

10. Tighten the upper front A/C compressor mounting bolt (4).

Tighten
Tighten the bolt to 50 N.m (37 lb ft).

11. Install the compressor hose assembly.
12. Install the A/C drive belt.
13. Install the air cleaner.
14. Evacuate and recharge the A/C system. Refer to Refrigerant Recovery and Recharging.
15. Leak test the fittings of the component using the J 39400-A.