Operation CHARM: Car repair manuals for everyone.
Manuals through 2025 now available!

Our trusted friends have launched a new website named LEMON, which has newer manuals. It also contains all the CHARM manuals.

LEMON is the spiritual successor to CHARM, I recommend you try it!

Link: lemon-manuals.la or lemon-manuals.org.ua

(Some people have issue connecting. LEMON is investigating. For now, use Firefox or change your DNS server)

Or, hide this message: temporarily or permanently

Power Steering Line/Hose: Service and Repair

Power Steering Hose Assembly Replacement

Tools Required
^ J 44586 Power Steering Gear Oil Seal

Remove Installer

Removal Procedure
1. Raise and support the vehicle. Refer to Vehicle Lifting.





Notice: Refer to Power Steering Hose Disconnected Notice in Service Precautions.

2. Install the drain pan under the vehicle.
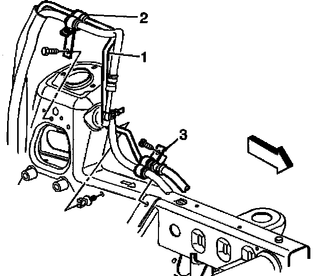
3. Remove power, steering hose assembly to power steering gear mounting bolt (2).
4. Disconnect the power steering hose assembly (1) from the power steering gear (3).





5. Disconnect the power steering return hose and power steering cooler hose from the power steering cooler.





6. Lower the vehicle.
7. Disconnect the power steering pressure (1) and return hose (3) from the power steering pump (2).





8. Remove the Powertrain Control Module (PCM) from the PCM mounting bracket and position out of the way.
9. Remove the power steering hose assembly (1) front bracket mounting bolt (3) from the frame.
10. Remove the power steering pressure hose from the retaining clip.
11. Remove the power steering hose assembly rear bracket mounting bolt (2).
12. Remove the power steering hose assembly from the vehicle.
13. Raise and support the vehicle. Refer to Vehicle Lifting.





Notice: Clean the power steering gear inlet and outlet ports thoroughly of any debris. Failure to do so could result in contamination and damage to the power steering system components.

14. Install the seal extraction end of the J 44586 (2) to the power steering gear oil seal (1).





15. Extract the power steering gear oil seal (1) from the power steering gear using the J44586 (2) with the aid of a flat bladed tool (3) for additional leverage.

Installation Procedure





1. Install the NEW power steering gear oil seal (1) to the power steering gear using the seal installation end of the J 44586 (2).





2. Ensure the power steering gear oil seals (1) are fully seated in the power steering gear.





3. Lower the vehicle.
4. Install the power steering hose assembly (1) to the vehicle.

Notice: Refer to Fastener Notice in Service Precautions.

5. Install the power steering hose assembly rear bracket (2) mounting bolt.
Tighten the bolt to 10 Nm (89 inch lbs.).
6. Install the power steering pressure hose retaining clip.
7. Install the power steering hose assembly front bracket mounting bolt (3).





8. Install the power steering cooler hose (3) the the power steering pump (2).

Notice: Refer to Component Fastener Tightening Notice in Service Precautions.

9. Connect the power steering pressure (1) to the power steering pump (2).
Tighten the power steering pressure hose fitting to 25 Nm (18 inch lbs.).
10. Install the PCM to the PCM mounting bracket.





11. Raise and support the vehicle. Refer to Vehicle Lifting.
12. Install the power steering return hose and the power steering cooler hose to the power steering cooler.





13. Connect the power steering hose assembly (1) to the power steering gear (3).

Notice: Refer to Fastener Notice in Service Precautions.

14. Install the power steering hose assembly to the power steering gear with the mounting bolt (2).
Tighten the bolt to 12 Nm (106 inch lbs.).
15. Remove the drain pan from under the vehicle.
16. Lower the vehicle.
17. Bleed the power steering system.